API Flanges Manufacturer & Supplier
API 6A Flanges Manufacturer, API 6BX Flanges Supplier, API 6B Welding Neck Flanges Exporter, 6BX and 6B Blind Flanges Stockists in India
API 6A Slip on Flanges, API 6BX Socket Welded Flanges, API 6A Forged Flanges, API 6B Threaded Flanges, API 6A Welding Neck Flanges, API 6BX Blind Flanges Manufacturer & Supplier
API Pipe Flanges are industrial necessities which are generally used to seal open ends of pipes. ACE ALLOYS LLP is an eminent manufacturer and trader of API Flanges of various sizes and shapes. We have API 6A Flanges and API-17D Flanges available in the stock and are ready for shipment.
We design API Slip on Flanges and API Weld Neck Flanges of all grades and specifications. Keeping all the national and international standards in view, we finely finish our API Blind Flanges and API Socket Weld Flanges with extreme dimensional accuracy. While delivering our API Threaded Flanges and API Lap Joint Flanges to our customers, we enclose all the necessary certificates along with them.
We own a team of professional clientele who are well satisfied with the quality of our API Orifice Flanges and API Spectacle Blind flanges. For satisfying our customers’ requirement, we design customized API Reducing Flanges.
Being an illustrious API Flanges Manufacturer, we properly train our employment personnel to use latest methodologies while designing our products. We thoroughly test our machinery for flawlessness in API Flange Dimensions and API Flange Sizes. Ensuring damage free transit, we pack our goods in wooden boxes.
To attain detailed idea about our goods and services, do visit our official website. In case of any queries, feel free to get in touch with us. Place your order right now!
API Flanges Specifications:
| Size | 1/2″-80″ |
| Material | Stainless steel |
| Usage | Oilwell |
| Pressure | Class 150, Class 300, Class 600, Class 900, Class 1500, Class 2500 |
| Standard | API |
| Type | 6A |
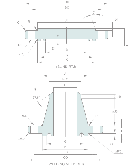
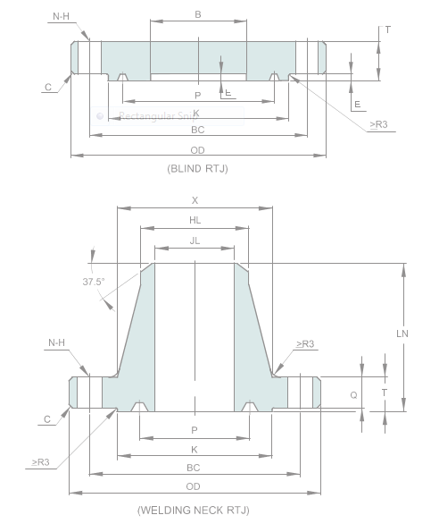
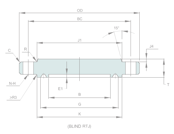
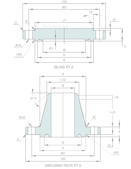
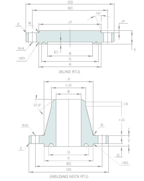
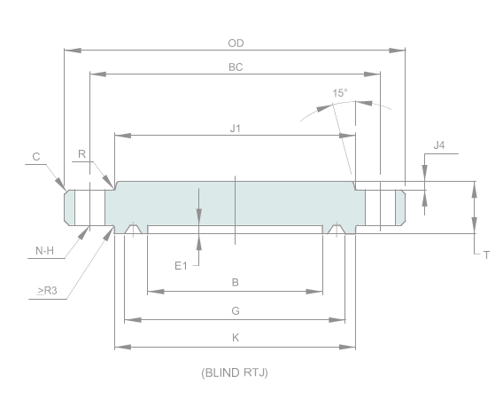
API Flange Dimensions
|
||||||||||||||||
| Size | B | OD | C (MAX.) | K | P | E | T | Q | X | BC | N | H | LN | HL | JL | Ring Number |
| R or RX | ||||||||||||||||
| 2 1/16˝ | 53.2 | 165 | 3 | 108 | 82.55 | 7.9 | 33.4 | 25.4 | 84 | 127 | 8 | 20 | 81 | 60.3 | 53.3 | 23 |
| 2 9/16˝ | 65.9 | 190 | 3 | 127 | 101.60 | 7.9 | 36.6 | 28.6 | 100 | 149.2 | 8 | 23 | 88 | 73.0 | 63.5 | 26 |
| 3 1/8˝ | 81.8 | 210 | 3 | 146 | 123.83 | 7.9 | 39.7 | 31.8 | 117 | 168.3 | 8 | 23 | 91 | 88.9 | 78.7 | 31 |
| 4 1/16˝ | 108.7 | 275 | 3 | 175 | 149.23 | 7.9 | 46.1 | 38.1 | 152 | 215.9 | 8 | 26 | 110 | 114.3 | 103.1 | 37 |
| 5 1/8˝ | 131.0 | 330 | 3 | 210 | 180.98 | 7.9 | 52.4 | 44.5 | 189 | 266.7 | 8 | 29 | 122 | 141.3 | 122.9 | 41 |
| 7 1/16˝ | 181.8 | 355 | 6 | 241 | 211.15 | 7.9 | 55.6 | 47.6 | 222 | 292.1 | 12 | 29 | 126 | 168.3 | 147.1 | 45 |
| 9˝ | 229.4 | 420 | 6 | 302 | 269.88 | 7.9 | 63.5 | 55.6 | 273 | 349.3 | 12 | 32 | 141 | 219.1 | 199.1 | 49 |
| 11˝ | 280.2 | 510 | 6 | 356 | 323.85 | 7.9 | 71.5 | 63.5 | 343 | 431.8 | 16 | 35 | 160 | 273.0 | 248.4 | 53 |
| 13 5/8˝ | 346.9 | 560 | 6 | 413 | 381.00 | 7.9 | 74.7 | 66.7 | 400 | 489 | 20 | 35 | - | - | - | 57 |
| 16 3/4˝ | 426.2 | 685 | 6 | 508 | 469.90 | 7.9 | 84.2 | 76.2 | 495 | 603.2 | 20 | 42 | - | - | - | 65 |
| 21 1/4˝ | 540.5 | 815 | 6 | 635 | 584.20 | 9.7 | 98.5 | 88.9 | 610 | 723.9 | 24 | 45 | - | - | - | 73 |
|
||||||||||||||||
| Size | B | OD | C (MAX.) | K | P | E | T | Q | X | BC | N | H | LN | HL | JL | Ring Number |
| R or RX | ||||||||||||||||
| 2 1/16˝ | 53.2 | 215 | 3 | 124 | 95.25 | 7.9 | 46.1 | 38.1 | 104.8 | 165.1 | 8 | 26 | 109.6 | 60.3 | 50.0 | 24 |
| 2 9/16˝ | 65.9 | 245 | 3 | 137 | 107.95 | 7.9 | 49.3 | 41.3 | 123.8 | 190.5 | 8 | 29 | 112.7 | 73.0 | 59.7 | 27 |
| 3 1/8˝ | 81.8 | 240 | 3 | 156 | 123.83 | 7.9 | 46.1 | 38.1 | 127.0 | 190.5 | 8 | 26 | 109.5 | 88.9 | 74.4 | 31 |
| 4 1/16˝ | 108.7 | 290 | 3 | 181 | 149.23 | 7.9 | 52.4 | 44.4 | 158.8 | 235.0 | 8 | 32 | 122.2 | 114.3 | 98.0 | 37 |
| 5 1/8˝ | 131.0 | 350 | 3 | 216 | 180.98 | 7.9 | 58.8 | 50.8 | 190.5 | 279.4 | 8 | 35 | 134.9 | 141.3 | 122.9 | 41 |
| 7 1/16˝ | 181.8 | 380 | 6 | 241 | 211.15 | 7.9 | 63.5 | 55.6 | 235.0 | 317.5 | 12 | 32 | 147.6 | 168.3 | 147.1 | 45 |
| 9˝ | 229.4 | 470 | 6 | 308 | 269.88 | 7.9 | 71.5 | 63.5 | 298.5 | 393.7 | 12 | 39 | 169.9 | 219.1 | 189.7 | 49 |
| 11˝ | 280.2 | 545 | 6 | 362 | 323.85 | 7.9 | 77.8 | 69.9 | 368.3 | 469.9 | 16 | 39 | 192.1 | 273 | 237.2 | 53 |
| 13 5/8˝ | 346.9 | 610 | 6 | 419 | 381.00 | 7.9 | 87.4 | 79.4 | 419.1 | 533.4 | 20 | 39 | - | - | - | 57 |
| 16 3/4˝ | 426.2 | 705 | 6 | 524 | 469.90 | 11.2 | 100.1 | 88.9 | 508.0 | 616.0 | 20 | 45 | - | - | - | 66 |
| 20 3/4˝ | 527.8 | 855 | 6 | 648 | 584.20 | 12.7 | 120.7 | 108 | 622.3 | 749.3 | 20 | 54 | - | - | - | 74 |
|
||||||||||||||||
| Size | B | OD | C (MAX.) | K | P | E | T | Q | X | BC | N | H | LN | HL | JL | Ring Number |
| R or RX | ||||||||||||||||
| 2 1/16˝ | 53.2 | 215 | 3 | 124 | 95.25 | 7.9 | 46.1 | 38.1 | 104.8 | 165.1 | 8 | 26 | 109.5 | 60.3 | 43.7 | 24 |
| 2 9/16˝ | 65.9 | 245 | 3 | 137 | 107.95 | 7.9 | 49.3 | 41.3 | 123.8 | 190.5 | 8 | 29 | 112.7 | 73.0 | 54.9 | 27 |
| 3 1/8˝ | 81.8 | 265 | 3 | 168 | 136.53 | 7.9 | 55.6 | 47.7 | 133.3 | 203.2 | 8 | 32 | 125.4 | 88.9 | 67.5 | 35 |
| 4 1/16˝ | 108.7 | 310 | 3 | 194 | 161.93 | 7.9 | 62 | 54 | 161.9 | 241.3 | 8 | 35 | 131.8 | 114.3 | 88.1 | 39 |
| 5 1/8˝ | 131.0 | 375 | 3 | 229 | 193.68 | 7.9 | 81 | 73.1 | 196.8 | 292.1 | 8 | 42 | 163.5 | 141.3 | 110.3 | 44 |
| 7 1/16˝ | 181.8 | 395 | 6 | 248 | 211.15 | 9.7 | 92.1 | 82.6 | 228.6 | 317.5 | 12 | 39 | 181 | 168.3 | 132.6 | 46 |
| 9˝ | 229.4 | 485 | 6 | 318 | 269.88 | 11.2 | 103.2 | 92.1 | 292.1 | 393.7 | 12 | 45 | 223.8 | 219.1 | 173.8 | 50 |
| 11˝ | 280.2 | 585 | 6 | 371 | 323.85 | 11.2 | 119.1 | 108 | 368.3 | 482.6 | 12 | 51 | 265.1 | 273.1 | 216.7 | 54 |
|
||||||||||||||||
| Size | OD | C | E1 | G | K | T | J1 | J4 | R | BC | N | H | Ring Number | |||
| BX | ||||||||||||||||
| 26 3/4˝ | 1040 | 6 | 21.4 | 768.33 | 805 | 126.3 | 835.8 | 9.7 | 16 | 952.5 | 20 | 48 | 167 | |||
| 30˝ | 1120 | 6 | 23 | 862.3 | 908 | 134.2 | 931.9 | 17.5 | 16 | 1039.80 | 32 | 45 | 303 | |||
|
||||||||||||||||
| Size | OD | C | E1 | G | K | T | J1 | J4 | R | BC | N | H | Ring Number | |||
| BX | ||||||||||||||||
| 26 3/4˝ | 1100 | 6 | 21.4 | 774.22 | 832 | 161.2 | 870 | 0 | 16 | 1000.10 | 24 | 54 | 168 | |||
| 30˝ | 1185 | 6 | 23 | 862.30 | 922 | 167.1 | 970 | 12.7 | 16 | 1090.60 | 32 | 51 | 303 | |||
|
||||||||||||||||
| Size | OD | C | E1 | G | K | T | J1 | J4 | R | BC | N | H | Ring Number | |||
| BX | ||||||||||||||||
| 13 5/8˝ | 675 | 6 | 14.3 | 408.00 | 457 | 112.8 | 481.0 | 23.9 | 16 | 590.60 | 16 | 45 | 160 | |||
| 16 3/4˝ | 770 | 6 | 8.3 | 478.33 | 535 | 130.2 | 555.6 | 17.5 | 19 | 676.30 | 16 | 51 | 162 | |||
| 18 3/4˝ | 905 | 6 | 18.3 | 563.50 | 627 | 165.9 | 674.7 | 19.1 | 16 | 803.30 | 20 | 54 | 163 | |||
| 21 1/4˝ | 990 | 6 | 19.1 | 632.56 | 702 | 181.0 | 758.8 | 22.4 | 18 | 885.80 | 24 | 54 | 165 | |||
|
|||||||||||||||||
| Size | B | OD | C | E1 | Q (MAX.) | G | K | T | J1 | J2 | J3 | J4 | R | BC | N | H | Ring Number |
| BX | |||||||||||||||||
| 1 13/16˝ | 46.8 | 185 | 3 | - | 5.56 | 77.77 | 105 | 42.1 | 88.9 | 65.1 | 48.5 | - | 10 | 146.10 | 8 | 23 | 151 |
| 2 1/16˝ | 53.2 | 200 | 3 | - | 5.95 | 86.23 | 111 | 44.1 | 100.0 | 74.7 | 51.6 | - | 10 | 158.80 | 8 | 23 | 152 |
| 2 9/16˝ | 65.9 | 230 | 3 | - | 6.75 | 102.77 | 132 | 51.2 | 120.7 | 92.1 | 57.2 | - | 10 | 184.20 | 8 | 26 | 153 |
| 3 1/16˝ | 78.6 | 270 | 3 | - | 7.54 | 119.00 | 152 | 58.4 | 142.1 | 110.2 | 63.5 | - | 10 | 215.90 | 8 | 29 | 154 |
| 4 1/16˝ | 104.0 | 315 | 3 | - | 8.33 | 150.62 | 185 | 70.3 | 182.6 | 146.1 | 73.1 | - | 10 | 258.80 | 8 | 32 | 155 |
| 5 1/8˝ | 131.0 | 360 | 3 | 9.5 | 9.53 | 176.66 | 221 | 79.4 | 223.8 | 182.6 | 81.0 | 6.4 | 10 | 300.00 | 12 | 32 | 169 |
| 7 1/16˝ | 180.2 | 480 | 6 | 11.1 | 11.11 | 241.83 | 302 | 103.2 | 301.6 | 254.0 | 95.3 | 9.7 | 16 | 403.20 | 12 | 42 | 156 |
| 9 ˝ | 229.4 | 550 | 6 | 12.7 | 12.70 | 299.06 | 359 | 123.9 | 374.7 | 327.1 | 93.7 | 9.7 | 16 | 476.30 | 16 | 42 | 157 |
| 11˝ | 280.2 | 655 | 6 | 14.3 | 14.29 | 357.23 | 429 | 141.3 | 450.9 | 400.1 | 103.2 | 14.2 | 16 | 565.20 | 16 | 48 | 158 |
| 13 5/8˝ | 346.9 | 770 | 6 | 15.9 | 15.88 | 432.64 | 518 | 168.3 | 552.5 | 495.3 | 114.3 | 17.5 | 16 | 673.10 | 20 | 51 | 159 |
| 16 3/4˝ | 426.2 | 870 | 6 | 8.3 | 8.33 | 478.33 | 576 | 168.3 | 655.6 | 601.7 | 76.2 | 30.2 | 19 | 776.30 | 24 | 51 | 162 |
| 18 3/4˝ | 477.0 | 1040 | 6 | 18.3 | 18.26 | 577.90 | 697 | 223.1 | 752.5 | 674.7 | 155.6 | 25.4 | 16 | 925.50 | 24 | 61 | 164 |
| 21 1/4˝ | 540.5 | 1145 | 6 | 19.1 | 19.05 | 647.88 | 781 | 241.3 | 847.7 | 762.0 | 165.1 | 31.8 | 21 | 1022.40 | 24 | 67 | 166 |
|
|||||||||||||||||
| Size | B | OD | C | E1 | Q (MAX.) | G | K | T | J1 | J2 | J3 | J4 | R | BC | N | H | Ring Number |
| BX | |||||||||||||||||
| 1 13/16˝ | 46.8 | 210 | 3 | - | 5.56 | 77.77 | 106 | 45.3 | 97.6 | 71.4 | 47.6 | - | 10 | 160.3 | 8 | 26 | 151 |
| 2 1/16˝ | 53.2 | 220 | 3 | - | 5.95 | 86.23 | 114 | 50.8 | 111.1 | 82.5 | 54.0 | - | 10 | 174.60 | 8 | 26 | 152 |
| 2 9/16˝ | 65.9 | 255 | 3 | - | 6.75 | 102.77 | 133 | 57.2 | 128.6 | 100.0 | 57.1 | - | 10 | 200.00 | 8 | 29 | 153 |
| 3 1/16˝ | 78.6 | 290 | 3 | - | 7.54 | 119.00 | 154 | 64.3 | 154.0 | 122.2 | 63.5 | - | 10 | 230.20 | 8 | 32 | 154 |
| 4 1/16˝ | 104.0 | 360 | 3 | - | 8.33 | 150.62 | 194 | 78.6 | 195.3 | 158.7 | 73.0 | - | 10 | 290.50 | 8 | 39 | 155 |
| 5 1/8˝ | 131.0 | 420 | 3 | 9.5 | 9.53 | 176.66 | 225 | 98.5 | 244.5 | 200.0 | 81.8 | 6.4 | 16 | 342.90 | 12 | 42 | 169 |
| 7 1/16˝ | 180.2 | 505 | 6 | 11.1 | 11.11 | 241.83 | 305 | 119.1 | 325.4 | 276.2 | 92.1 | 7.9 | 16 | 428.60 | 16 | 42 | 156 |
| 9 ˝ | 229.4 | 650 | 6 | 12.7 | 12.70 | 299.06 | 381 | 146.1 | 431.8 | 349.2 | 123.8 | 14.2 | 16 | 552.40 | 16 | 51 | 157 |
| 11˝ | 280.2 | 815 | 6 | 14.3 | 14.29 | 357.23 | 454 | 187.4 | 584.2 | 427.0 | 235.7 | 12.7 | 16 | 711.20 | 20 | 54 | 158 |
| 13 5/8˝ | 346.9 | 885 | 6 | 15.9 | 15.88 | 432.64 | 541 | 204.8 | 595.3 | 528.6 | 114.3 | 17.5 | 25 | 771.50 | 20 | 61 | 159 |
| 18 3/4˝ | 477.0 | 1160 | 6 | 18.3 | 18.26 | 577.90 | 722 | 255.6 | 812.8 | 730.2 | 155.6 | 35.1 | 25 | 1016.00 | 20 | 80 | 164 |
|
|||||||||||||||||
| Size | B | OD | C | E1 | Q (MAX.) | G | K | T | J1 | J2 | J3 | J4 | R | BC | N | H | Ring Number |
| BX | |||||||||||||||||
| 1 13/16˝ | 46.8 | 255 | 3 | - | 5.56 | 77.77 | 117 | 63.5 | 133.4 | 109.5 | 49.2 | - | 10 | 203.20 | 8 | 29 | 151 |
| 2 1/16˝ | 53.2 | 285 | 3 | - | 5.95 | 86.23 | 132 | 71.5 | 154.0 | 127.0 | 52.4 | - | 10 | 230.20 | 8 | 32 | 152 |
| 2 9/16˝ | 65.9 | 325 | 3 | - | 6.75 | 102.77 | 151 | 79.4 | 173.0 | 144.5 | 58.7 | - | 10 | 261.90 | 8 | 35 | 153 |
| 3 1/16˝ | 78.6 | 355 | 3 | - | 7.54 | 119.00 | 171 | 85.8 | 192.1 | 160.3 | 63.5 | - | 10 | 287.30 | 8 | 39 | 154 |
| 4 1/16˝ | 104.0 | 445 | 3 | - | 8.33 | 150.62 | 219 | 106.4 | 242.9 | 206.4 | 73.0 | - | 10 | 357.20 | 8 | 48 | 155 |
| 7 1/16˝ | 180.2 | 655 | 6 | 11.1 | 11.11 | 241.83 | 352 | 165.1 | 385.8 | 338.1 | 96.8 | 7.9 | 16 | 554.00 | 16 | 54 | 156 |
| 9 ˝ | 229.4 | 805 | 6 | 12.7 | 12.7 | 299.06 | 441 | 204.8 | 481.0 | 428.6 | 107.9 | 6.4 | 25 | 685.80 | 16 | 67 | 157 |
| 11˝ | 280.2 | 885 | 6 | 14.3 | 14.29 | 357.23 | 505 | 223.9 | 566.7 | 508.0 | 103.2 | 12.7 | 25 | 749.30 | 16 | 74 | 158 |
| 13 5/8˝ | 346.9 | 1160 | 6 | 15.9 | 15.88 | 432.64 | 614 | 292.1 | 693.7 | 628.6 | 133.3 | 14.2 | 25 | 1016.00 | 20 | 80 | 159 |
Types of API Flanges
- API Pipe Flanges
- API 6A Flanges
- API-17D Flanges
- API Slip on Flanges
- API Weld Neck Flanges
- API Blind Flanges
- API Socket Weld Flanges
- API Threaded Flanges
- API Lap Joint Flanges
- API Orifice Flanges
- API Spectacle Blind
- API Reducing Flanges
- API Forged Flanges
- API Flanges Manufacture
- API Flange Dimensions
- API Flange Sizes
- API 6BX Flanges
- API 6B Flanges
- API 6A Flanges
- API 6B Flanges
For API Flanges price list as on :
Request the latest API Flanges Price List. Use the contact button below for API Flanges Ready stock information and updated price list.
API Flanges Applications
| Off-Shore Oil Drilling Companies | Power Generation | Petrochemicals | Gas Processing |
| Specialty Chemicals | Pharmaceuticals | Pharmaceutical Equipment | Chemical Equipment |
| Sea Water Equipment | Heat Exchangers | Condensers | Pulp & Paper Industry |
API Flanges Manufacturer & Supplier
- API Flanges manufacturer in india
- API Flanges supplier in india
- API Flanges manufacturer in Mumbai
- API Flanges manufacturer in Pune
- API Flanges supplier in Chennai
- API Flanges manufacturer in Hyderabad
