Butterfly Valves Manufacturer & Supplier
Stainless Steel Butterfly Valve Manufacturers, Carbon Steel Butterfly Valve Suppliers, Alloy Steel Butterfly Valve Exporters, Brass Butterfly Valve Providers
Top Industrial Butterfly Valve Manufacturers & Supplier in India
Hitesh Metal is one of the major manufacturers, suppliers and stockholders of Butterfly valves. Our Butterfly Valves gives high performance to the wide range of applications like cooling water, air, gases, fire protection, compressed air or gas applications etc. It is less costly compared to other valves.
Butterfly valve is a rotational motion valve that requires quarter-turn. A butterfly valve consists of a disc mounted on a rotating shaft. Once the valve is completely closed, the disk blocks the line. The disc is at a right angle to the flow, when the butterfly valve is fully opened. Butterfly valves are of different types like Eccentric Butterfly Valve, Flanged Butterfly Valve, Lugged Butterfly Valve, Wafer Butterfly Valve, and Butt Weld Butterfly Valve.
Butterfly Valve Specifications:
Depending on Butterfly valve construction material, they have high resistance to chemicals. They can even handle temperatures up to 200 °C. The materials may be Steel Butterfly Valves, Alloy Steel Butterfly Valves, Aluminium Butterfly Valves, Brass Butterfly Valves, Bronze Butterfly Valves, each adapted to different pressures and different usage.
We, at Hitesh Metal, make sure to provide the best material according to the client’s specification. Our company is well equipped with all kinds of resources for successfully meeting the demand of its products. Contact us today to get the best value price for butterfly valves.
Eccentric Butterfly Valve Dealer, Flanged Butterfly Valve Manufacturer, Lugged Butterfly Valve Wholesaler, Wafer Butterfly Valve, Butt Weld Butterfly Valve Supplier in India
ANSI/ASME B16.10 Butterfly Valves Specifications:
| Type | Center Disc, Ecentric Disc |
| Size | 50mm to 1000 mm |
| Body Material | WCB, CF8, CF8M, Alloy 20 |
| End Connection | Flanged End / Screwed End / Butt Weld End |
| Pressure Rating | Class 150, 300, 600 & 800 |
| Optional | Trunnion Motorised Ball, Manual Gearbox or Motorised Operation |
| Design & Mfg. Standard | BS 5351 |
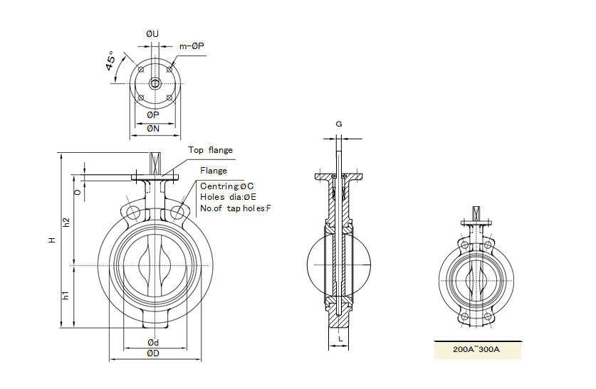
Dimensions of ANSI/ASME B16.10 Butterfly Valves
![]() |
|||||||||||||||||
| Size | ØD | Ød | L | H | h1 | h2 | Stem | Top flange to ISO 5211 | O | WT (kg) | |||||||
| Inch | mm | ØU | G | Type | ØN | ØP | m | Øs | |||||||||
| 1 ½″ | 40 | 86 | 40 | 41 | 205 | 58 | 124 | 10 | 8 | F07 | 90 | 70 | 4 | 9 | 10 | 3.1 | |
| 2" | 50 | 105 | 52 | 43 | 227 | 66.5 | 130.5 | 14 | 10 | F07 | 90 | 70 | 4 | 9 | 11 | 3.7 | |
| 2 ½″ | 65 | 114 | 65 | 46 | 241 | 71 | 140 | 14 | 10 | F07 | 90 | 70 | 4 | 9 | 11 | 4 | |
| 3" | 80 | 129 | 80 | 46 | 263 | 83 | 150 | 14 | 10 | F07 | 90 | 70 | 4 | 9 | 11 | 4.4 | |
| 4" | 100 | 155 | 100 | 52 | 290 | 95 | 163 | 16 | 12 | F07 | 90 | 70 | 4 | 9 | 11 | 5.9 | |
| 5" | 125 | 180 | 125 | 56 | 319 | 110 | 178 | 19 | 15 | F07 | 90 | 70 | 4 | 9 | 12 | 8.9 | |
| 6" | 150 | 207 | 150 | 56 | 347 | 124 | 191 | 19 | 15 | F07 | 90 | 70 | 4 | 9 | 12 | 9 | |
| 8" | 200 | 260 | 198 | 60 | 433 | 163 | 238 | 22 | 18 | F07 | 90 | 70 | 4 | 9 | 13 | 11 | |
| 10" | 250 | 331 | 248 | 68 | 546 | 227 | 285 | 28 | 20 | F10 | 125 | 102 | 4 | 12 | 15 | 20 | |
| 12" | 300 | 377 | 298 | 78 | 601 | 252 | 315 | 28 | 20 | F10 | 125 | 102 | 4 | 12 | 15 | 31.5 | |
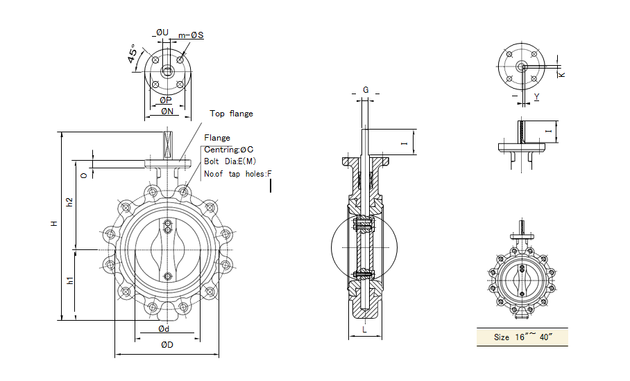
![]() |
|||||||||||||||||||
| Size | ØD | Ød | L | H | h1 | h2 | Stem | Top flange to ISO 5211 | O | WT(kg) | |||||||||
| Inch | mm | ØU | G | I | Y | K | Type | ØN | ØP | m | Øs | ||||||||
| 2″ | 50 | 102 | 52 | 43 | 227 | 66.5 | 130.5 | 14 | 10 | 38 | - | - | F07 | 90 | 70 | 4 | 9 | 11 | 4.3 |
| 2½″ | 65 | 115 | 65 | 46 | 241 | 71 | 140 | 14 | 10 | 38 | - | - | F07 | 90 | 70 | 4 | 9 | 11 | 4.5 |
| 3″ | 80 | 128 | 80 | 46 | 263 | 83 | 150 | 14 | 10 | 38 | - | - | F07 | 90 | 70 | 4 | 9 | 11 | 4.9 |
| 4″ | 100 | 153 | 100 | 52 | 290 | 95 | 163 | 16 | 12 | 38 | - | - | F07 | 90 | 70 | 4 | 9 | 11 | 6.3 |
| 5″ | 125 | 183 | 125 | 56 | 319 | 110 | 178 | 19 | 15 | 38 | - | - | F07 | 90 | 70 | 4 | 9 | 12 | 8.9 |
| 6″ | 150 | 210 | 150 | 56 | 347 | 124 | 191 | 19 | 15 | 38 | - | - | F07 | 90 | 70 | 4 | 9 | 12 | 9.4 |
| 8″ | 200 | 259 | 198 | 60 | 433 | 163 | 238 | 22 | 18 | 38 | - | - | F07 | 90 | 70 | 4 | 9 | 13 | 11.5 |
| 10″ | 250 | 328 | 248 | 68 | 546 | 227 | 285 | 28 | 20 | 45 | - | - | F10 | 125 | 102 | 4 | 12 | 15 | 21 |
| 12″ | 300 | 374 | 298 | 78 | 601 | 252 | 315 | 28 | 20 | 45 | - | - | F10 | 125 | 102 | 4 | 12 | 15 | 32 |
| 14″ | 350 | 416 | 327 | 78 | 675 | 271 | 324 | 32 | 19.5 | 45 | - | - | F10 | 125 | 102 | 4 | 12 | 20 | 43.6 |
| 16″ | 400 | 475 | 387 | 102 | 817 | 343 | 369 | 35 | - | 60 | 5 | 10 | F14 | 175 | 140 | 4 | 18 | 23 | 64 |
| 18″ | 450 | 535 | 438 | 114 | 877 | 366 | 406 | 38 | - | 60 | 5 | 10 | F14 | 175 | 140 | 4 | 18 | 23 | 99.7 |
| 20″ | 500 | 586 | 477 | 127 | 1008 | 421 | 485 | 45 | - | 60 | 5 | 10 | F16 | 230 | 190 | 6 | 19 | 34 | 115 |
Types of ANSI/ASME B16.10 Butterfly Valves
- Butterfly Valves Manufacturer
- Butterfly Valves Supplier
- Butterfly Valves Stock
- Industrial Butterfly Valves
- Eccentric Butterfly Valve
- Flanged Butterfly Valve
- Lugged Butterfly Valve
- Wafer Butterfly Valve
- Hastelloy Butterfly Valve
- Inconnel Butterfly Valves
- Butt Weld Butterfly Valve
- Steel Butterfly Valves
- Alloy Steel Butterfly Valves
- Aluminium Butterfly Valves
- Brass Butterfly Valves
- Bronze Butterfly Valves
- Carbon Steels Butterfly Valves
- Titanium Alloys Butterfly Valves
- Double Offset Butterfly Valves
- Martensitic Steels Butterfly Valves
- Low Temperature Carbon Steel Butterfly Valves
- Austenitic Stainless Steel Butterfly Valves
- Duplex Stainless Steels Butterfly Valve
- Super Duplex Stainless Steels Butterfly Valve
- Nickel Alloys Butterfly Valve
- Nickel Aluminum Bronze Butterfly Valve
- Triple Offset Butterfly Valves
- Centre Disc Butterfly Valves
- Extended Stem Butterfly Valves
Material & Grades Of ANSI/ASME B16.10 Butterfly Valves
- SS 316 Butterfly Gear Operator
- SS 316 Butterfly Valves, Class 150
- SS 316 Butterfly Valves, Class 600
- SS 316 Butterfly Valves. Class 300
- SS 316 Lug Style Butterfly Valves
- SS 316 Ten-Position Butterfly Valves
- SS 316 Wafer Style Butterfly Valves
- SS 316 Low Pressure Female Brass Gas Ball Butterfly Valve
For Butterfly Valves price list as on :
Request the latest Butterfly Valves Price List. Use the contact button below for Butterfly Valves Ready stock information and updated price list.
Other Material Grades of ANSI/ASME B16.10 Butterfly Valves
| DESCRIPTION | UNS GRADE | FORGING | CASTING | BARSTOCK |
|---|---|---|---|---|
| Carbon Steel | K30504 | A105 | A216 WCB | A105 |
| Low Temp Carbon | K03011 | A350 LF2 | A352 LCB | A350 LF2 |
| High Yield Steel | K03014 | A694 F60 | - | A694 F60 |
| 3 1/2 Nickel Steel | K32025 | A350 LF3 | A352 LC3 | A350 LF3 |
| 5 Chrome, 1/2 Moly | K41545 | A182 F5 | A217 C5 | A182 F5 |
| 1 1/4 Chrome, 1/2 Moly | K11597 | A182 F11 | A217 WC6 | A182 F11 |
| 2 1/4 Chrome, 1 Moly | K21590 | A182 F22 | A217 WC9 | A182 F22 |
| 9 Chrome, 1 Moly | K90941 | A182 F9 | A217 WC6 | A182 F9 |
| 13 Chrome | S41000 | A182 F6A | A351 CA15 | A276 or A479 410 |
| 304 | S30400 | A182 F304 | A351 CF8 | A276 or A479 304 |
| 304L | S30403 | A182 F304L | A351 CF3 | A276 or A479 304L |
| 316 | S31600 | A182 F316 | A351 CF8M | A276 or A479 316 |
| 316L | S31603 | A182 F316L | A351 CF3M | A276 or A479 316L |
| 317L | S31703 | A182 F317L | A351 CG8M | A276 or A479 317L |
| 321 | S32100 | A182 F321 | - | A276 or A479 321 |
| 347 | S34700 | A182 F347 | A351 CF8C | A276 or A479 347 |
| 17-4PH | S17400 | A564 630 | - | - |
| Alloy 400 | N04400 | B564 N04400 | A494 M35-1 | B164 N04400 |
| Alloy K500 | N05500 | - | - | B865 N05500 |
| Alloy 800 | N08800 | B564 N08810 | - | B408 N08800 |
| Alloy 825 | N08825 | - | - | B425 N08825 |
| Alloy 600 | N06600 | B564 N06600 | A494 CY40 | B166 N06600 |
| Alloy 625 | N06625 | B564 N06625 | A494 CW 6MC | B446 N06625 |
| Alloy B2 | N10665 | B564 N10665 | A494 N 12MV | B335 N10665 |
| Alloy C | N10002 | - | A494 CW6M | - |
| Alloy C22 | N06022 | B574 N06022 | A494 CX2MW | B574 N06022 |
| Alloy C276 | N10276 | B564 N10276 | A494 CW12 MW | B574 N10276 |
| 22% Duplex | S31803 | A182 F51 | A890 Gr 4A | A276 or A479 S31803 |
| 25% Duplex | S32750 or 32760 | A182 F53 | A890 Gr 6A | A276 or A479 S32750 or 60 |
| 254SMO | S31254 | A182 F44 | A351 CK3MCuN | A182 F44 |
| 904L | N08904 | B625 N08904 | - | B649 N08904 |
| Titanium | R50400 | B381 F2 | B367 C2 | B348 Gr 2 |
ANSI/ASME B16.10 Butterfly Valves Application
| Off-Shore Oil Drilling Companies | Power Generation | Petrochemicals | Gas Processing |
| Specialty Chemicals | Pharmaceuticals | Pharmaceutical Equipment | Chemical Equipment |
| Sea Water Equipment | Heat Exchangers | Condensers | Pulp & Paper Industry |
ANSI/ASME B16.10 Butterfly Valves Manufacturer & Supplier
- Butterfly Valves manufacturer in india
- Butterfly Valves supplier in india
- Butterfly Valves manufacturer in Mumbai
- Butterfly Valves manufacturer in Pune
- Butterfly Valves supplier in Chennai
- Butterfly Valves manufacturer in Hyderabad






