Orifice Flanges Manufacturer & Supplier
ASME B 16.5, ASME B 16.47, MSS SP44, ASTM A182 Orifice (ORFF) Pipe Flanges & Raised Face Orifice Flanges Manufacturer & Exporter in India
Stainless Steel Orifice Flanges, Carbon Steel Orifice Flanges, Alloy Steel Orifice Flanges, Nickel Alloy Orifice Flanges, Monel Orifice Flanges, Hastelloy Orifice Flanges Dealer in India
Orifice Flanges are industrial mechanisms which are generally used along with orifice meters to measure the flow of fluids inside a pump. Our Orifice Pipe Flanges are generally of two types which are Raised face Orifice flanges and Ring Type Joint Orifice Flanges. Hitesh Metal is an eminent manufacturer and trader of a wide variety of raised face orifice flange.
We have a team of professional clientele who are satisfied with the features and properties of our Stainless Steel Orifice Flanges. Being a renowned Orifice Flanges Manufacturer in the market, we design our products keeping all the national and international standards in view. Carbon Steel Orifice Flanges of all sizes and shapes are fabricated according to the customer’s requirement.
We hire professionally trained and experienced individuals to design Inconel Orifice Flanges using latest techniques. Prior to the mass production of Alloy Steel Orifice Flanges, we properly test our machinery for any flaws. This Orifice Plate Flange and Weld Neck Orifice Flanges contribute error-free and dimensionally precise products to our customers.
All the raw materials and metals to fabricate Forged Orifice Flanges and ANSI B16.5 Orifice Flanges are lent by genuine and honest vendors. We maintain friendly relations with our clients collecting time to time feedback about our ASME Orifice Flanges and DIN Orifice Flanges from them.
To attain detailed idea about all orifice flange assembly and their features, do visit our official website. If you have any queries, please get in touch with us. Place your order right now!
Orifice Flanges Availability:
- Orifice Flanges
- Slip-On Orifice Flanges
- Welding Neck Orifice Flanges
- Stainless Steel Orifice Flanges
- Carbon Steel Orifice Flanges
- Alloy Steel Orifice Flanges
- Nickel Alloy Steel Orifice Flanges
- Copper Alloy Orifice Flanges
- Duplex Steel Orifice Flanges
Orifice Flanges Specifications:
| Size | ½" (15 NB) to 48" (1200NB) |
| Class | 150 LBS, 300 LBS, 600 LBS, 900 LBS, 1500 LBS, 2500 LBS, DIN Standard ND-6,10, 16, 25, 40 Etc. |
| Standards | ANSI B16.5, ANSI B16.47, MSS SP44, ANSI B16.36, ANSI B16.48 |
| Material | Aluminum, Brass, Bronze, Cast iron, Stainless Steel, Carbon Steel, Alloy, Nickel, Copper etc. |
| Type | Orifice, Slip-On, Welding Neck |
Grade specifications of Orifice Flanges
| Stainless Steel Orifice Face Flanges | |
| Standard | ASTM A182 , A240 |
| Grades | F 304, 304L, 304H, 316, 316Ti, 316H, 316L, 316LN, 309S, 309H, 310S, 310H,317, 317L, 321, 321H, 347, 347H, 201, 202, 904L |
| Carbon Steel Orifice Face Flanges | |
| Standard | ASTM A105 |
| Grades | Gr. F42,46,52,56,60,65,70 |
| Alloy Steel Orifice Face Flanges | |
| Standard | ASTM A182 |
| Grades | F1,F5,F9,F11,F22,F91 |
| Nickel Alloy Steel Orifice Face Flanges | |
| Standard | ASTM SB564, SB160, SB472, SB162 |
| Grades | Nickel 200 (UNS No. N02200), Nickel 201 (UNS No. N02201), Monel 400 (UNS No. N04400), Monel 500 (UNS No. N05500), Inconel 800 (UNS No. N08800), Inconel 825 (UNS No. N08825), Inconel 600 (UNS No. N06600), Inconel 625 (UNS No. N06625), Inconel 601 (UNS No. N06601), Hastelloy C 276 (UNS No. N10276), Alloy 20 (UNS No. N08020), |
| Copper Alloy Orifice Face Flanges | |
| Standard | ASTM SB 61 , SB62 , SB151 , SB152 |
| Grades | UNS No. C 70600 (Cu-Ni 90/10), C 71500 (Cu-Ni 70/30), UNS No. C 10100, 10200, 10300, 10800, 12000, 12200, |
| Duplex Steel Slip-On Face Flanges | |
| Standard | ASTM A182, A240 |
| Grades | UNS F 44, F 45, F51, F 53, F 55, F 60, F 61 |
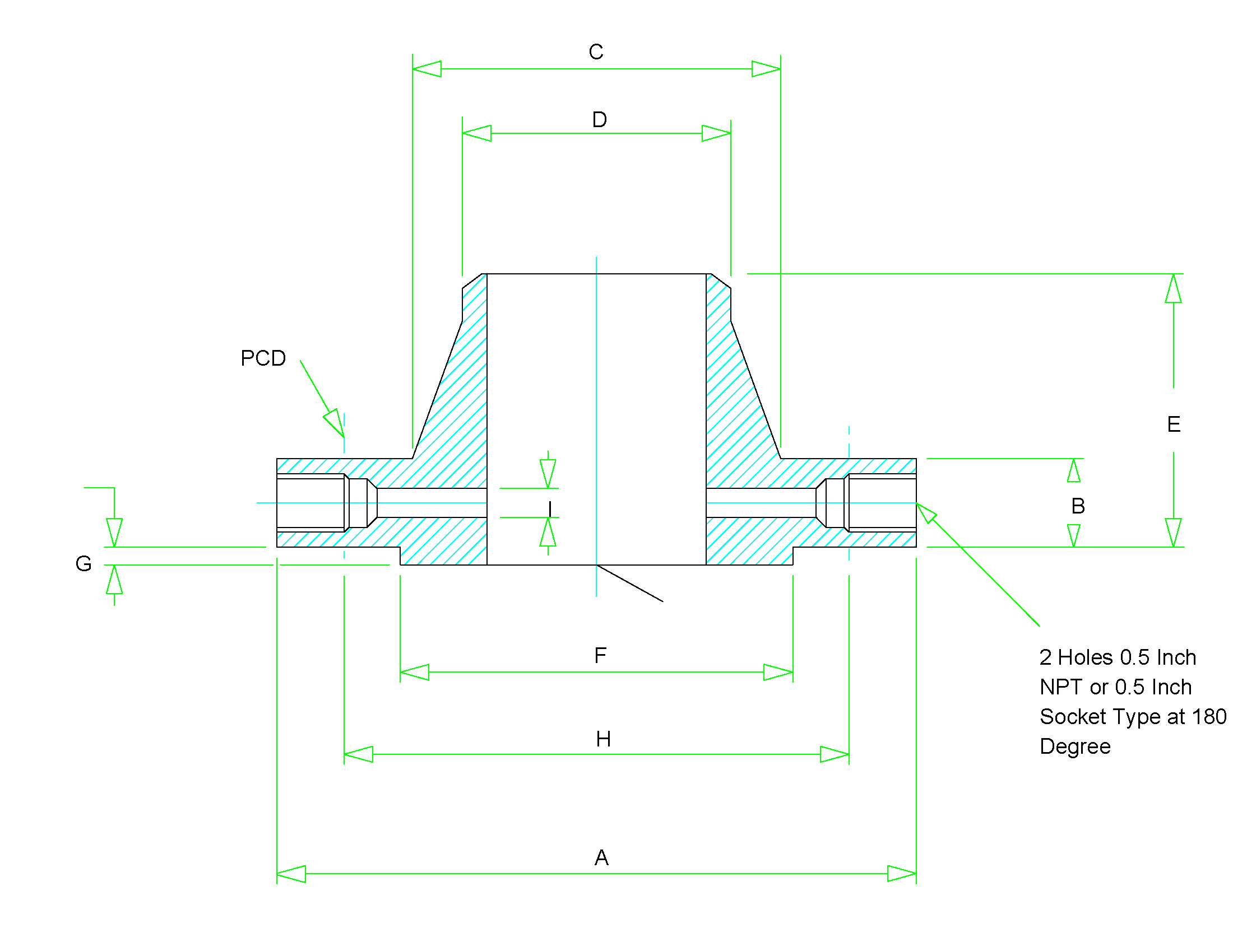
Orifice Flange Dimensions – ANSI/ASME B16.5 Class 300 to Class 2500
| Size in Inch | Size in mm | Outer Dia. | Flange Thick. | Hub OD | Weld Neck OD | Welding Neck Length | RF Dia. | RF Height | PCD | Orifice Hole dia | No of Bolts | Bolt Size UNC | RF Stud Length | Hole Size | ISO Stud Size | Weight in kg |
| A | B | C | D | E | F | G | H | I | ||||||||
| 1 | 25 | 125 | 36.6 | 54 | 33.4 | 81 | 50.8 | 2 | 88.9 | 6.4 | 4 | 5/8 | 125 | 3/4 | M16 | 4.5 |
| 1 1/2 | 40 | 155 | 36.6 | 70 | 48.3 | 84 | 73 | 2 | 114.3 | 6.4 | 4 | 3/4 | 135 | 7/8 | M20 | 6.5 |
| 2 | 50 | 165 | 36.6 | 84 | 60.3 | 84 | 92.1 | 2 | 127 | 6.4 | 8 | 5/8 | 125 | 3/4 | M16 | 7 |
| 2 1/2 | 65 | 190 | 36.6 | 100 | 73 | 87 | 104.8 | 2 | 149.2 | 6.4 | 8 | 3/4 | 135 | 7/8 | M20 | 7.5 |
| 3 | 80 | 210 | 36.6 | 117 | 88.9 | 87 | 127 | 2 | 168.3 | 9.5 | 8 | 3/4 | 135 | 7/8 | M20 | 9.4 |
| 4 | 100 | 255 | 36.6 | 146 | 114.3 | 90 | 157.2 | 2 | 200 | 12.7 | 8 | 3/4 | 135 | 7/8 | M20 | 13.2 |
| 6 | 150 | 320 | 36.6 | 206 | 168.3 | 98 | 215.9 | 2 | 269.9 | 12.7 | 12 | 3/4 | 135 | 7/8 | M20 | 14.6 |
| 8 | 200 | 380 | 39.7 | 260 | 219.1 | 110 | 269.9 | 2 | 330.2 | 12.7 | 12 | 7/8 | 145 | 1 | M24 | 30 |
| 10 | 250 | 445 | 46.1 | 321 | 273 | 116 | 323.8 | 2 | 387.3 | 12.7 | 16 | 1 | 165 | 1 1/8 | M27 | 41 |
| 12 | 300 | 520 | 49.3 | 375 | 323.8 | 129 | 381 | 2 | 450.8 | 12.7 | 16 | 1 1/8 | 180 | 1 1/4 | M30 | 62 |
| 14 | 350 | 585 | 52.4 | 425 | 355.6 | 141 | 412.8 | 2 | 514.4 | 12.7 | 20 | 1 1/8 | 185 | 1 1/4 | M30 | 84 |
| 16 | 400 | 650 | 55.6 | 483 | 406.4 | 144 | 469.9 | 2 | 571.5 | 12.7 | 20 | 1 1/4 | 195 | 1 3/8 | M33 | 111 |
| 18 | 450 | 710 | 58.8 | 533 | 457 | 157 | 533.4 | 2 | 628.6 | 12.7 | 24 | 1 1/4 | 205 | 1 3/8 | M33 | 138 |
| 20 | 500 | 775 | 62 | 587 | 508 | 160 | 584.2 | 2 | 685.8 | 12.7 | 24 | 1 1/4 | 215 | 1 3/8 | M33 | 171 |
| 24 | 600 | 915 | 68.3 | 702 | 610 | 167 | 692.2 | 2 | 812.8 | 12.7 | 24 | 1 1/2 | 240 | 1 5/8 | M39 | 247 |
| Size in Inch | Size in mm | Outer Dia. | Flange Thick. | Hub OD | Weld Neck OD | Welding Neck Length | RF Dia. | RF Height | PCD | Orifice Hole dia | No of Bolts | Bolt Size UNC | RF Stud Length | Hole Size | ISO Stud Size | Weight in kg |
| A | B | C | D | E | F | G | H | I | ||||||||
| 1 | 25 | 125 | 36.6 | 54 | 33.5 | 81 | 50.8 | 7 | 88.9 | 6.4 | 4 | 5/8 | 125 | 3/4 | M16 | 5.5 |
| 1 1/2 | 40 | 155 | 36.6 | 70 | 48.3 | 84 | 73 | 7 | 114.3 | 6.4 | 4 | 3/4 | 135 | 7/8 | M20 | 7.8 |
| 2 | 50 | 165 | 36.6 | 84 | 60.3 | 84 | 92.1 | 7 | 127 | 6.4 | 8 | 5/8 | 125 | 3/4 | M16 | 8.3 |
| 2 1/2 | 65 | 190 | 36.6 | 100 | 73 | 87 | 104.8 | 7 | 149.2 | 6.4 | 8 | 3/4 | 135 | 7/8 | M20 | 10.8 |
| 3 | 80 | 210 | 36.6 | 117 | 88.9 | 87 | 127 | 7 | 168.3 | 9.5 | 8 | 3/4 | 135 | 7/8 | M20 | 12.6 |
| 4 | 100 | 275 | 38.1 | 152 | 114.3 | 102 | 157.2 | 7 | 215.9 | 12.7 | 8 | 7/8 | 150 | 1 | M24 | 19 |
| 6 | 150 | 355 | 47.7 | 222 | 168.3 | 117 | 215.9 | 7 | 292.1 | 12.7 | 12 | 1 | 180 | 1 1/8 | M27 | 37 |
| 8 | 200 | 420 | 55.6 | 273 | 219.1 | 133 | 269.9 | 7 | 349.2 | 12.7 | 12 | 1 1/8 | 195 | 1 1/4 | M30 | 53 |
| 10 | 250 | 510 | 63.5 | 343 | 273 | 152 | 323.8 | 7 | 431.8 | 12.7 | 16 | 1 1/4 | 220 | 1 3/8 | M33 | 86 |
| 12 | 300 | 560 | 66.7 | 400 | 323.8 | 156 | 381 | 7 | 489 | 12.7 | 20 | 1 1/4 | 230 | 1 3/8 | M33 | 102 |
| 14 | 350 | 605 | 69.9 | 432 | 355.6 | 165 | 412.8 | 7 | 527 | 12.7 | 20 | 1 3/8 | 240 | 1 1/2 | M36 | 150 |
| 16 | 400 | 685 | 76.2 | 495 | 406.4 | 178 | 469.9 | 7 | 603.2 | 12.7 | 20 | 1 1/2 | 260 | 1 5/8 | M39 | 190 |
| 18 | 450 | 745 | 82.6 | 546 | 457.2 | 184 | 533.4 | 7 | 654 | 12.7 | 20 | 1 5/8 | 280 | 1 3/4 | M42 | 240 |
| 20 | 500 | 815 | 88.9 | 610 | 508 | 190 | 584.2 | 7 | 723.9 | 12.7 | 24 | 1 5/8 | 300 | 1 3/4 | M42 | 295 |
| 24 | 600 | 940 | 101.6 | 718 | 609.6 | 203 | 692.2 | 7 | 838.2 | 12.7 | 24 | 1 7/8 | 335 | 2 | M48 | 365 |
| Size in Inch | Size in mm | Outer Dia. | Flange Thick. | Hub OD | Weld Neck OD | Welding Neck Length | RF Dia. | RF Height | PCD | Orifice Hole dia | No of Bolts | Bolt Size UNC | RF Stud Length | Hole Size | ISO Stud Size | Weight in kg |
| A | B | C | D | E | F | G | H | I | ||||||||
| 1 | 25 | 150 | 38.1 | 52 | 33.5 | 83 | 50.8 | 7 | 101.6 | 6.4 | 4 | 7/8 | 150 | 1 | M24 | 5.4 |
| 1 1/2 | 40 | 180 | 38.1 | 70 | 48.3 | 89 | 73 | 7 | 123.8 | 6.4 | 4 | 1 | 160 | 1 1/8 | M27 | 7.8 |
| 2 | 50 | 215 | 38.1 | 105 | 60.3 | 102 | 92.1 | 7 | 165.1 | 6.4 | 8 | 7/8 | 150 | 1 | M30 | 11.5 |
| 2 1/2 | 65 | 245 | 41.3 | 124 | 73 | 105 | 104.8 | 7 | 190.5 | 6.4 | 8 | 1 | 165 | 1 1/8 | M27 | 15.8 |
| 3 | 80 | 240 | 38.1 | 127 | 88.9 | 102 | 127 | 7 | 190.5 | 9.5 | 8 | 7/8 | 150 | 1 | M24 | 22 |
| 4 | 100 | 290 | 44.5 | 159 | 114.3 | 114 | 157.2 | 7 | 235 | 12.7 | 8 | 1 1/8 | 180 | 1 1/4 | M30 | 22 |
| 6 | 150 | 380 | 55.6 | 235 | 168.3 | 140 | 215.9 | 7 | 317.5 | 12.7 | 12 | 1 1/8 | 195 | 1 1/4 | M30 | 70 |
| 8 | 200 | 470 | 63.5 | 298 | 219.1 | 162 | 269.9 | 7 | 393.7 | 12.7 | 12 | 1 3/8 | 230 | 1 1/2 | M36 | 119 |
| 10 | 250 | 545 | 69.9 | 368 | 273 | 184 | 323.8 | 7 | 469.9 | 12.7 | 16 | 1 3/8 | 240 | 1 1/2 | M36 | 204 |
| 12 | 300 | 610 | 79.4 | 419 | 323.8 | 200 | 381 | 7 | 533.4 | 12.7 | 20 | 1 3/8 | 260 | 1 1/2 | M36 | 303 |
| 14 | 350 | 640 | 85.8 | 451 | 355.6 | 213 | 412.8 | 7 | 558.8 | 12.7 | 20 | 1 1/2 | 280 | 1 5/8 | M39 | 400 |
| 16 | 400 | 705 | 88.9 | 508 | 406.4 | 216 | 469.9 | 7 | 616 | 12.7 | 20 | 1 5/8 | 290 | 1 3/4 | M42 | 510 |
| 18 | 450 | 785 | 101.9 | 565 | 457.2 | 229 | 533.4 | 7 | 685.8 | 12.7 | 20 | 1 7/8 | 330 | 2 | M48 | 738 |
| 20 | 500 | 855 | 108 | 622 | 508 | 248 | 584.2 | 7 | 749.3 | 12.7 | 20 | 2 | 355 | 2 1/8 | M52 | 932 |
| 24 | 600 | 1040 | 139.7 | 749 | 609.6 | 292 | 692.2 | 7 | 901.7 | 12.7 | 20 | 2 1/2 | 445 | 2 5/8 | M64 | 1511 |
| Size in Inch | Size in mm | Outer Dia. | Flange Thick. | Hub OD | Weld Neck OD | Welding Neck Length | RF Dia. | RF Height | PCD | Orifice Hole dia | No of Bolts | Bolt Size UNC | RF Stud Length | Hole Size | ISO Stud Size | Weight in kg |
| A | B | C | D | E | F | G | H | I | ||||||||
| 1 | 25 | 150 | 38.1 | 52 | 33.5 | 83 | 50.8 | 7 | 101.6 | 6.4 | 4 | 7/8 | 150 | 1 | M24 | 5.4 |
| 1 1/2 | 40 | 180 | 38.1 | 70 | 48.3 | 89 | 73 | 7 | 123.8 | 6.4 | 4 | 1 | 160 | 1 1/8 | M27 | 7.8 |
| 2 | 50 | 215 | 38.1 | 105 | 60.3 | 102 | 92.1 | 7 | 165.1 | 6.4 | 8 | 7/8 | 150 | 1 | M24 | 11.5 |
| 2 1/2 | 65 | 245 | 41.3 | 124 | 73 | 105 | 104.8 | 7 | 190.5 | 6.4 | 8 | 1 | 165 | 1 1/8 | M27 | 15.8 |
| 3 | 80 | 265 | 47.7 | 133 | 88.9 | 117 | 127 | 7 | 203.2 | 9.5 | 8 | 1 1/8 | 185 | 1 1/4 | M30 | 22 |
| 4 | 100 | 310 | 54 | 162 | 114.3 | 124 | 157.2 | 7 | 241.3 | 12.7 | 8 | 1 1/4 | 205 | 1 3/8 | M33 | 22 |
| 6 | 150 | 395 | 82.6 | 229 | 168.3 | 171 | 215.9 | 7 | 317.5 | 12.7 | 12 | 1 3/8 | 265 | 1 1/2 | M36 | 70 |
| 8 | 200 | 485 | 92.1 | 292 | 219.1 | 213 | 269.9 | 7 | 393.7 | 12.7 | 12 | 1 5/8 | 300 | 1 3/4 | M42 | 119 |
| 10 | 250 | 585 | 108 | 368 | 273 | 254 | 323.8 | 7 | 482.6 | 12.7 | 12 | 1 7/8 | 345 | 1 | M48 | 204 |
| 12 | 300 | 675 | 123.9 | 451 | 323.8 | 283 | 381 | 7 | 571.5 | 12.7 | 16 | 2 | 380 | 2 1/8 | M52 | 303 |
| 14 | 350 | 750 | 133.4 | 495 | 355.6 | 298 | 412.8 | 7 | 635 | 12.7 | 16 | 2 1/4 | 415 | 2 3/8 | M56 | 400 |
| 16 | 400 | 825 | 146.1 | 552 | 406.4 | 311 | 469.9 | 7 | 704.8 | 12.7 | 16 | 2 1/2 | 450 | 2 5/8 | M64 | 510 |
| 18 | 450 | 915 | 162 | 597 | 457.2 | 327 | 533.4 | 7 | 774.7 | 12.7 | 16 | 2 3/4 | 500 | 2 7/8 | M72 | 738 |
| 20 | 500 | 985 | 177.8 | 641 | 508 | 356 | 584.2 | 7 | 831.8 | 12.7 | 16 | 3 | 545 | 3 1/8 | M76 | 932 |
| 24 | 600 | 1170 | 203.2 | 762 | 609.6 | 406 | 692.2 | 7 | 990.6 | 12.7 | 16 | 3 1/2 | 620 | 3 5/8 | M90 | 1511 |
| Size in Inch | Size in mm | Outer Dia. | Flange Thick. | Hub OD | Weld Neck OD | Welding Neck Length | RF Dia. | RF Height | PCD | Orifice Hole dia | No of Bolts | Bolt Size UNC | RF Stud Length | Hole Size | ISO Stud Size | Weight in kg |
| A | B | C | D | E | F | G | H | I | ||||||||
| 1 | 25 | 160 | 38.1 | 57 | 33.5 | 92 | 50.8 | 7 | 108 | 6.4 | 4 | 7/8 | 150 | 1 | M24 | 6.5 |
| 1 1/2 | 40 | 205 | 44.5 | 79 | 48.3 | 111 | 73 | 7 | 146 | 6.4 | 4 | 1 1/8 | 180 | 1 1/4 | M30 | 13 |
| 2 | 50 | 235 | 50.8 | 95 | 60.3 | 127 | 92.1 | 7 | 171.4 | 6.4 | 8 | 1 | 185 | 1 1/8 | M27 | 19 |
| 2 1/2 | 65 | 265 | 57.2 | 114 | 73 | 143 | 104.8 | 7 | 196.8 | 6.4 | 8 | 1 1/8 | 205 | 1 1/4 | M30 | 24 |
| 3 | 80 | 305 | 66.7 | 133 | 88.9 | 168 | 127 | 7 | 228.6 | 9.5 | 8 | 1 1/4 | 230 | 1 3/8 | M33 | 43 |
| 4 | 100 | 355 | 76.2 | 165 | 114.3 | 190 | 157.2 | 7 | 273 | 12.7 | 8 | 1 1/2 | 260 | 1 5/8 | M39 | 66 |
| 6 | 150 | 485 | 108 | 235 | 168.3 | 273 | 215.9 | 7 | 368.3 | 12.7 | 8 | 2 | 350 | 2 1/8 | M52 | 172 |
| 8 | 200 | 550 | 127 | 305 | 219.1 | 318 | 269.9 | 7 | 438.2 | 12.7 | 12 | 2 | 385 | 2 1/8 | M52 | 261 |
| 10 | 250 | 675 | 165.1 | 375 | 273 | 419 | 323.8 | 7 | 539.8 | 12.7 | 12 | 2 1/2 | 490 | 2 5/8 | M64 | 485 |
| 12 | 300 | 760 | 184.2 | 441 | 323.8 | 464 | 381 | 7 | 619.1 | 12.7 | 12 | 2 3/4 | 540 | 2 7/8 | M72 | 730 |
Types of Orifice Flanges
- Industry Standard Class 75 Orifice Flanges
- Industry Standard Class 150 Orifice Flanges
- Industry Standard Class 175 Orifice Flanges
- Industry Standard Class 250 Orifice Flanges
- Industry Standard Class 300 Orifice Flanges
- Industry Standard Class 350 Orifice Flanges
- Plate Orifice Flanges
- Ring Type Joint Orifice Flanges
- Drawing Orifice Flanges
- Square Orifice Flanges
- Nipo Orifice Flanges
- Reducing Orifice Flanges
- Forged Orifice Flanges
- Stainless Steel Orifice Flanges
- Industry Standard Class 125 Light-weight Orifice Flanges
- Industry Standard Class 125/150 Orifice Flanges
Other Standards of Orifice Flanges
- ANSI B16.5 Orifice Flanges
- ANSI B16.5 Class 150 Orifice Flanges
- ANSI B16.5 Class 300 Orifice Flanges
- ANSI B16.5 Class 400 Orifice Flanges
- ANSI B16.5 Class 600 Orifice Flanges
- ANSI B16.5 Class 900 Orifice Flanges
- ANSI B16.5 Class 1500 Orifice Flanges
- ANSI B16.5 Class 2500 Orifice Flanges
- ASME B16.47 Series A Orifice Flanges
- ASME B16.47 Series B Orifice Flanges
- ANSI B16.36 Orifice Orifice Flanges
- 150Lbs Orifice Flanges
- 300Lbs Orifice Flanges
- 600Lbs Orifice Flanges
- 900Lbs Orifice Flanges
- 1500Lbs Orifice Flanges
- 2500Lbs Orifice Flanges
- DIN Orifice Flanges PN6-PN40
For Orifice Flanges price list as on :
Request the latest Orifice Flanges Price List. Use the contact button below for Orifice Flanges Ready stock information and updated price list.
Orifice Flanges Applications
| Off-Shore Oil Drilling Companies | Power Generation | Petrochemicals | Gas Processing |
| Specialty Chemicals | Pharmaceuticals | Pharmaceutical Equipment | Chemical Equipment |
| Sea Water Equipment | Heat Exchangers | Condensers | Pulp & Paper Industry |
Orifice Flanges Manufacturer & Supplier
- Orifice Flanges manufacturer in india
- Orifice Flanges supplier in india
- Orifice Flanges manufacturer in Mumbai
- Orifice Flanges manufacturer in Pune
- Orifice Flanges supplier in Chennai
- Orifice Flanges manufacturer in Hyderabad
