Weld Neck Flanges / WNRF Flanges Suppliers
ANSI B 16.5, ASME B 16.47, MSS SP44, ASTM A182, 105, 350, SB564, 160, 472 Weld Neck Flanges, Raised Welding Neck Pipe Flanges Manufacturer & Exporter in India
Stainless Steel Welded Neck Flanges, Carbon Steel Weld Neck Flanges, Alloy Steel Welding Neck Flanges, Inconel Welding Neck Flanges, Nickel Alloy Weld Neck Flanges Dealer in India
Weld Neck Flanges are special industrial mechanisms which are ideal to use at elevated temperatures and pressures. Hitesh Metal is an illustrious designer and trader of Weld Neck Pipe Flanges at affordable market prices. Our WNRF Flanges exhibit distinguished properties for which they have a huge demand in the market.
Our Welding Neck Flanges have various industrial applications for which they are exported to many countries around the globe. Due to the quality and flexibility of our products, we are regarded as one of the renowned Weld Neck Flanges Manufacturers of the contemporary market. Also, our Raised Face Weld Neck Flanges are noted for their ease of installation and durability.
ANSI B16.5 Weld Neck Flanges are generally of regular type and long type. The former ones are used with regular pipes, whereas the latter ones are used with process plant pipes. SS Weld Neck Flanges are also known as SS high hub flanges and SS tapered hub flanges.
We maintain friendly relations with our customers and acquire feedback about our products like Carbon Steel Weld Neck Flanges and Stainless Steel Weld Neck Flanges. The pure metal is used to fabricate Inconel Weld Neck Flanges and Monel Weld Neck Flanges. Our team carefully designs our goods for extreme preciseness in our Weld Neck Flange Dimensions. Every now and then we conduct audits to ensure flawless fabrication of Forged Weld Neck Flanges.
All the properties and features of our ASME B16.5 Weld Neck Flanges along with their respective prices are showcased on our official website. You can also contact our sales individuals in case of any queries. With no more ado, place your order right now!
Weld Neck Flanges Availability:
- Flate Face Weld Neck Flanges
- Raised Face Weld Neck Flanges
- Ring Type Joint Weld Neck Flanges
- Stainless Steel Weld Neck Flanges
- Carbon Steel Weld Neck Flanges
- Alloy Steel Weld Neck Flanges
- Nickel Alloy Steel Weld Neck Flanges
- Copper Alloy Weld Neck Flanges
- Duplex Steel Weld Neck Flanges
Weld Neck Flanges Specifications:
| Size | ½" (15 NB) to 48" (1200NB) |
| Class | 150 LBS, 300 LBS, 600 LBS, 900 LBS, 1500 LBS, 2500 LBS, DIN Standard ND-6,10, 16, 25, 40 Etc. |
| Standards | ANSI B16.5, ANSI B16.47, MSS SP44, ANSI B16.36, ANSI B16.48 |
| DIN | DIN2527, DIN2566, DIN2573, DIN2576, DIN2641, DIN2642, DIN2655, DIN2656, DIN2627, DIN2628, DIN2629, DIN 2631, DIN2632, DIN2633, DIN2634, DIN2635, DIN2636, DIN2637, DIN2638, DIN2673 |
| B.S | BS4504 , BS4504, BS1560, BS10 |
| Flange Face Type | Flate Face (FF), Raised Face (RF), Ring Type Joint (RTJ) |
| Coating/Surface Treatment | Anti-rust Paint, Oil Black Paint, Yellow Transparent, Zinc Plated, Cold and Hot Dip Galvanized |
Grade Specifications of Weld Neck Flanges
| Stainless Steel Weld Neck Raised Face Flanges | |
| Standard | ASTM A182 , A240 |
| Grades | F 304, 304L, 304H, 316, 316Ti, 316H, 316L, 316LN, 309S, 309H, 310S, 310H,317, 317L, 321, 321H, 347, 347H, 201, 202, 904L |
| Carbon Steel Weld Neck Raised Face Flanges | |
| Standard | ASTM A105 |
| Grades | Gr. F42,46,52,56,60,65,70 |
| Alloy Steel Weld Neck Raised Face Flanges | |
| Standard | ASTM A182 |
| Grades | F1,F5,F9,F11,F22,F91 |
| Nickel Alloy Steel Weld Neck Raised Face Flanges | |
| Standard | ASTM SB564, SB160, SB472, SB162 |
| Grades | Nickel 200 (UNS No. N02200), Nickel 201 (UNS No. N02201), Monel 400 (UNS No. N04400), Monel 500 (UNS No. N05500), Inconel 800 (UNS No. N08800), Inconel 825 (UNS No. N08825), Inconel 600 (UNS No. N06600), Inconel 625 (UNS No. N06625), Inconel 601 (UNS No. N06601), Hastelloy C 276 (UNS No. N10276), Alloy 20 (UNS No. N08020), |
| Copper Alloy Weld Neck Raised Face Flanges | |
| Standard | ASTM SB 61 , SB62 , SB151 , SB152 |
| Grades | UNS No. C 70600 (Cu-Ni 90/10), C 71500 (Cu-Ni 70/30), UNS No. C 10100, 10200, 10300, 10800, 12000, 12200, |
| Duplex Steel Slip-On Raised Face Flanges | |
| Standard | ASTM A182, A240 |
| Grades | UNS F 44, F 45, F51, F 53, F 55, F 60, F 61 |
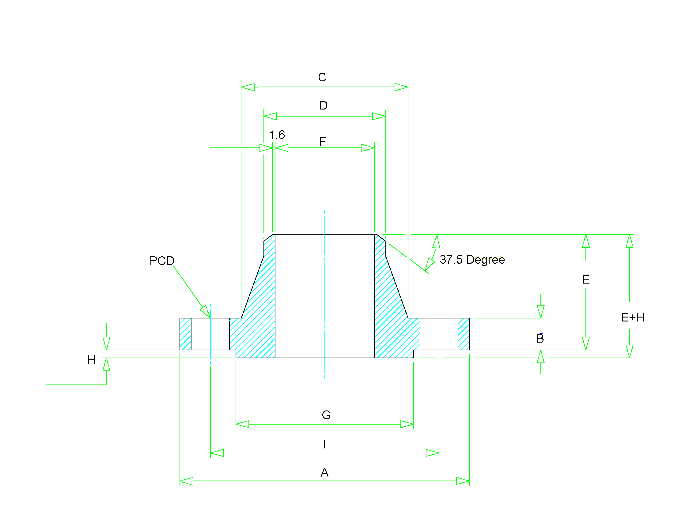
Weld Neck Flange Dimensions – ANSI/ASME B16.5 Class 150 to Class 2500
| Size in Inch | Size in mm | Outer Diameter | Flange Thick. | Hub OD | Weld Neck OD | Welding Neck Length | RF Diameter | RF Height | PCD | Weld Face |
| A | B | C | D | E | F | G | H | I | ||
| 1/2 | 15 | 90 | 9.6 | 30 | 21.3 | 46 | 34.9 | 2 | 60.3 | 1.6 |
| 3/4 | 20 | 100 | 11.2 | 38 | 26.7 | 51 | 42.9 | 2 | 69.9 | 1.6 |
| 1 | 25 | 110 | 12.7 | 49 | 33.4 | 54 | 50.8 | 2 | 79.4 | 1.6 |
| 1 1/4 | 32 | 115 | 14.3 | 59 | 42.2 | 56 | 63.5 | 2 | 88.9 | 1.6 |
| 1 1/2 | 40 | 125 | 15.9 | 65 | 48.3 | 60 | 73 | 2 | 98.4 | 1.6 |
| 2 | 50 | 150 | 17.5 | 78 | 60.3 | 62 | 92.1 | 2 | 120.7 | 1.6 |
| 2 1/2 | 65 | 180 | 20.7 | 90 | 73 | 68 | 104.8 | 2 | 139.7 | 1.6 |
| 3 | 80 | 190 | 22.3 | 108 | 88.9 | 68 | 127 | 2 | 152.4 | 1.6 |
| 3 1/2 | 90 | 215 | 22.3 | 122 | 101.6 | 70 | 139.7 | 2 | 177.8 | 1.6 |
| 4 | 100 | 230 | 22.3 | 135 | 114.3 | 75 | 157.2 | 2 | 190.5 | 1.6 |
| 5 | 125 | 255 | 22.3 | 164 | 141.3 | 87 | 185.7 | 2 | 215.9 | 1.6 |
| 6 | 150 | 280 | 23.9 | 192 | 168.3 | 87 | 215.9 | 2 | 241.3 | 1.6 |
| 8 | 200 | 345 | 27 | 246 | 219.1 | 100 | 269.9 | 2 | 298.5 | 1.6 |
| 10 | 250 | 405 | 28.6 | 305 | 273 | 100 | 323.8 | 2 | 362 | 1.6 |
| 12 | 300 | 485 | 30.2 | 365 | 323.8 | 113 | 381 | 2 | 431.8 | 1.6 |
| 14 | 350 | 535 | 33.4 | 400 | 355.6 | 125 | 412.8 | 2 | 476.3 | 1.6 |
| 16 | 400 | 595 | 35 | 457 | 406.4 | 125 | 469.9 | 2 | 539.8 | 1.6 |
| 18 | 450 | 635 | 38.1 | 505 | 457.2 | 138 | 533.4 | 2 | 577.9 | 1.6 |
| 20 | 500 | 700 | 41.3 | 559 | 508 | 143 | 584.2 | 2 | 635 | 1.6 |
| 24 | 600 | 815 | 46.1 | 663 | 610 | 151 | 692.2 | 2 | 749.3 | 1.6 |
| Size in Inch | Size in mm | No of Bolts | Bolt Size UNC | Machine Bolt Length | RF Stud Length | Hole Size | ISO Stud Size | Weight in kg |
| 1/2 | 15 | 4 | 1/2 | 50 | 55 | 5/8 | M14 | 0.6 |
| 3/4 | 20 | 4 | 1/2 | 50 | 65 | 5/8 | M14 | 0.9 |
| 1 | 25 | 4 | 1/2 | 55 | 65 | 5/8 | M14 | 1.4 |
| 1 1/4 | 32 | 4 | 1/2 | 55 | 70 | 5/8 | M14 | 1.4 |
| 1 1/2 | 40 | 4 | 1/2 | 65 | 70 | 5/8 | M14 | 1.8 |
| 2 | 50 | 4 | 5/8 | 70 | 85 | 3/4 | M16 | 2.7 |
| 2 1/2 | 65 | 4 | 5/8 | 75 | 90 | 3/4 | M16 | 3.7 |
| 3 | 80 | 4 | 5/8 | 75 | 90 | 3/4 | M16 | 4.6 |
| 3 1/2 | 90 | 8 | 5/8 | 75 | 90 | 3/4 | M16 | 5.5 |
| 4 | 100 | 8 | 5/8 | 75 | 90 | 3/4 | M16 | 6.8 |
| 5 | 125 | 8 | 3/4 | 85 | 95 | 7/8 | M20 | 8.7 |
| 6 | 150 | 8 | 3/4 | 85 | 100 | 7/8 | M20 | 10.9 |
| 8 | 200 | 8 | 3/4 | 90 | 110 | 7/8 | M20 | 17.7 |
| 10 | 250 | 12 | 7/8 | 100 | 115 | 1 | M24 | 24 |
| 12 | 300 | 12 | 7/8 | 100 | 120 | 1 | M24 | 37 |
| 14 | 350 | 12 | 1 | 115 | 135 | 1 1/8 | M27 | 50 |
| 16 | 400 | 16 | 1 | 115 | 135 | 1 1/8 | M27 | 64 |
| 18 | 450 | 16 | 1 1/8 | 125 | 145 | 1 1/4 | M30 | 68 |
| 20 | 500 | 20 | 1 1/8 | 140 | 160 | 1 1/4 | M30 | 82 |
| 24 | 600 | 20 | 1 1/4 | 150 | 170 | 1 3/8 | M33 | 118 |
| Size in Inch | Size in mm | Outer Diameter | Flange Thick. | Hub OD | Weld Neck OD | Welding Neck Length | RF Diameter | RF Height | PCD | Weld Face |
| A | B | C | D | E | F | G | H | I | ||
| 1/2 | 15 | 95 | 12.7 | 38 | 21.3 | 51 | 34.9 | 2 | 66.7 | 1.6 |
| 3/4 | 20 | 115 | 14.3 | 48 | 26.7 | 56 | 42.9 | 2 | 82.6 | 1.6 |
| 1 | 25 | 125 | 15.9 | 54 | 33.4 | 60 | 50.8 | 2 | 88.9 | 1.6 |
| 1 1/4 | 32 | 135 | 17.5 | 64 | 42.2 | 64 | 63.5 | 2 | 98.4 | 1.6 |
| 1 1/2 | 40 | 155 | 19.1 | 70 | 48.3 | 67 | 73 | 2 | 114.3 | 1.6 |
| 2 | 50 | 165 | 20.7 | 84 | 60.3 | 68 | 92.1 | 2 | 127 | 1.6 |
| 2 1/2 | 65 | 190 | 23.9 | 100 | 73 | 75 | 104.8 | 2 | 149.2 | 1.6 |
| 3 | 80 | 210 | 27 | 117 | 88.9 | 78 | 127 | 2 | 168.3 | 1.6 |
| 3 1/2 | 90 | 230 | 28.6 | 133 | 101.6 | 79 | 139.7 | 2 | 184.2 | 1.6 |
| 4 | 100 | 255 | 30.2 | 146 | 114.3 | 84 | 157.2 | 2 | 200 | 1.6 |
| 5 | 125 | 280 | 33.4 | 178 | 141.3 | 97 | 185.7 | 2 | 235 | 1.6 |
| 6 | 150 | 320 | 35 | 206 | 168.3 | 97 | 215.9 | 2 | 269.9 | 1.6 |
| 8 | 200 | 380 | 39.7 | 260 | 219.1 | 110 | 269.9 | 2 | 330.2 | 1.6 |
| 10 | 250 | 445 | 46.1 | 321 | 273 | 116 | 323.8 | 2 | 387.4 | 1.6 |
| 12 | 300 | 520 | 49.3 | 375 | 323.8 | 129 | 381 | 2 | 450.8 | 1.6 |
| 14 | 350 | 585 | 52.4 | 425 | 355.6 | 141 | 412.8 | 2 | 514.4 | 1.6 |
| 16 | 400 | 650 | 55.6 | 483 | 406.4 | 144 | 469.9 | 2 | 571.5 | 1.6 |
| 18 | 450 | 710 | 58.8 | 533 | 457 | 157 | 533.4 | 2 | 628.6 | 1.6 |
| 20 | 500 | 775 | 62 | 587 | 508 | 160 | 584.2 | 2 | 685.8 | 1.6 |
| 24 | 600 | 915 | 68.3 | 702 | 610 | 167 | 692.2 | 2 | 812.8 | 1.6 |
| Size in Inch | Size in mm | No of Bolts | Bolt Size UNC | Machine Bolt Length | RF Stud Length | Hole Size | ISO Stud Size | Weight in kg |
| 1/2 | 15 | 4 | 1/2 | 55 | 65 | 5/8 | M14 | 1.4 |
| 3/4 | 20 | 4 | 5/8 | 65 | 75 | 3/4 | M16 | 1.4 |
| 1 | 25 | 4 | 5/8 | 65 | 75 | 3/4 | M16 | 1.8 |
| 1 1/4 | 32 | 4 | 5/8 | 70 | 85 | 3/4 | M16 | 2.3 |
| 1 1/2 | 40 | 4 | 3/4 | 75 | 90 | 7/8 | M20 | 3.2 |
| 2 | 50 | 8 | 5/8 | 75 | 90 | 3/4 | M16 | 4.1 |
| 2 1/2 | 65 | 8 | 3/4 | 85 | 100 | 7/8 | M20 | 5.5 |
| 3 | 80 | 8 | 3/4 | 90 | 110 | 7/8 | M20 | 6.8 |
| 3 1/2 | 90 | 8 | 3/4 | 95 | 110 | 7/8 | M20 | 8.2 |
| 4 | 100 | 8 | 3/4 | 95 | 115 | 7/8 | M20 | 11.4 |
| 5 | 125 | 8 | 3/4 | 110 | 120 | 7/8 | M20 | 14.6 |
| 6 | 150 | 12 | 3/4 | 110 | 120 | 7/8 | M20 | 19.1 |
| 8 | 200 | 12 | 7/8 | 120 | 140 | 1 | M24 | 31 |
| 10 | 250 | 16 | 1 | 140 | 160 | 1 1/8 | M27 | 42 |
| 12 | 300 | 16 | 1 1/8 | 145 | 170 | 1 1/4 | M30 | 64 |
| 14 | 350 | 20 | 1 1/8 | 160 | 180 | 1 1/4 | M30 | 82 |
| 16 | 400 | 20 | 1 1/4 | 165 | 190 | 1 3/8 | M33 | 113 |
| 18 | 450 | 24 | 1 1/4 | 170 | 195 | 1 3/8 | M33 | 145 |
| 20 | 500 | 24 | 1 1/4 | 185 | 205 | 1 3/8 | M33 | 182 |
| 24 | 600 | 24 | 1 1/2 | 205 | 230 | 1 5/8 | M39 | 264 |
| Size in Inch | Size in mm | Outer Diameter | Flange Thickness | Hub OD | Weld Neck OD | Welding Neck Length | RF Diameter | RF Height | PCD | Weld Face |
| A | B | C | D | E | F | G | H | I | ||
| 1/2 | 15 | 95 | 14.3 | 38 | 21.3 | 52 | 34.9 | 7 | 66.7 | 1.6 |
| 3/4 | 20 | 115 | 15.9 | 48 | 26.7 | 57 | 42.9 | 7 | 82.6 | 1.6 |
| 1 | 25 | 125 | 17.5 | 54 | 33.4 | 62 | 50.8 | 7 | 88.9 | 1.6 |
| 1 1/4 | 32 | 135 | 20.7 | 64 | 42.2 | 67 | 63.5 | 7 | 98.4 | 1.6 |
| 1 1/2 | 40 | 155 | 22.3 | 70 | 48.3 | 70 | 73 | 7 | 114.3 | 1.6 |
| 2 | 50 | 165 | 25.4 | 84 | 60.3 | 73 | 92.1 | 7 | 127 | 1.6 |
| 2 1/2 | 65 | 190 | 28.6 | 100 | 73 | 79 | 104.8 | 7 | 149.2 | 1.6 |
| 3 | 80 | 210 | 31.8 | 117 | 88.9 | 83 | 127 | 7 | 168.3 | 1.6 |
| 3 1/2 | 90 | 230 | 35 | 133 | 101.6 | 86 | 139.7 | 7 | 184.2 | 1.6 |
| 4 | 100 | 255 | 35 | 146 | 114.3 | 89 | 157.2 | 7 | 200 | 1.6 |
| 5 | 125 | 280 | 38.1 | 178 | 141.3 | 102 | 185.7 | 7 | 235 | 1.6 |
| 6 | 150 | 320 | 41.3 | 206 | 168.3 | 103 | 215.9 | 7 | 269.9 | 1.6 |
| 8 | 200 | 380 | 47.7 | 260 | 219.1 | 117 | 269.9 | 7 | 330 | 1.6 |
| 10 | 250 | 445 | 54 | 321 | 273 | 124 | 323.8 | 7 | 387.4 | 1.6 |
| 12 | 300 | 520 | 57.2 | 375 | 323.8 | 137 | 381 | 7 | 450.8 | 1.6 |
| 14 | 350 | 585 | 60.4 | 425 | 355.6 | 149 | 412.8 | 7 | 514.4 | 1.6 |
| 16 | 400 | 650 | 63.5 | 483 | 406.4 | 152 | 469.9 | 7 | 571.5 | 1.6 |
| 18 | 450 | 710 | 66.7 | 533 | 457 | 165 | 533.4 | 7 | 628.6 | 1.6 |
| 20 | 500 | 775 | 69.9 | 587 | 508 | 168 | 584.2 | 7 | 685.8 | 1.6 |
| 24 | 600 | 915 | 76.2 | 702 | 610 | 175 | 692.2 | 7 | 812.8 | 1.6 |
| Size in Inch | Size in mm | No of Bolts | Bolt Size UNC | RF Stud Length | Hole Size | ISO Stud Size |
| 1/2 | 15 | 4 | 1/2 | 75 | 5/8 | M14 |
| 3/4 | 20 | 4 | 5/8 | 90 | 3/4 | M16 |
| 1 | 25 | 4 | 5/8 | 90 | 3/4 | M16 |
| 1 1/4 | 32 | 4 | 5/8 | 95 | 3/4 | M16 |
| 1 1/2 | 40 | 4 | 3/4 | 110 | 7/8 | M20 |
| 2 | 50 | 8 | 5/8 | 110 | 3/4 | M16 |
| 2 1/2 | 65 | 8 | 3/4 | 120 | 7/8 | M20 |
| 3 | 80 | 8 | 3/4 | 125 | 7/8 | M20 |
| 3 1/2 | 90 | 8 | 7/8 | 140 | 1 | M24 |
| 4 | 100 | 8 | 7/8 | 140 | 1 | M24 |
| 5 | 125 | 8 | 7/8 | 145 | 1 | M24 |
| 6 | 150 | 12 | 7/8 | 150 | 1 | M24 |
| 8 | 200 | 12 | 1 | 170 | 1 1/8 | M27 |
| 10 | 250 | 16 | 1 1/8 | 190 | 1 1/4 | M30 |
| 12 | 300 | 16 | 1 1/4 | 205 | 1 3/8 | M33 |
| 14 | 350 | 20 | 1 1/4 | 210 | 1 3/8 | M33 |
| 16 | 400 | 20 | 1 3/8 | 220 | 1 1/2 | M36 |
| 18 | 450 | 24 | 1 3/8 | 230 | 1 1/2 | M36 |
| 20 | 500 | 24 | 1 1/2 | 240 | 1 3/4 | M39 |
| 24 | 600 | 24 | 1 3/4 | 265 | 1 7/8 | M45 |
| Size in Inch | Size in mm | Outer Diameter | Flange Thickness | Hub OD | Weld Neck OD | Welding Neck Length | RF Diameter | RF Height | PCD | Weld Face |
| A | B | C | D | E | F | G | H | I | ||
| 1/2 | 15 | 95 | 14.3 | 38 | 21.3 | 52 | 34.9 | 7 | 66.7 | 1.6 |
| 3/4 | 20 | 115 | 15.9 | 48 | 26.7 | 57 | 42.9 | 7 | 82.6 | 1.6 |
| 1 | 25 | 125 | 17.5 | 54 | 33.4 | 62 | 50.8 | 7 | 88.9 | 1.6 |
| 1 1/4 | 32 | 135 | 20.7 | 64 | 42.2 | 67 | 63.5 | 7 | 98.4 | 1.6 |
| 1 1/2 | 40 | 155 | 22.3 | 70 | 48.3 | 70 | 73 | 7 | 114.3 | 1.6 |
| 2 | 50 | 165 | 25.4 | 84 | 60.3 | 73 | 92.1 | 7 | 127 | 1.6 |
| 2 1/2 | 65 | 190 | 28.6 | 100 | 73 | 79 | 104.8 | 7 | 149.2 | 1.6 |
| 3 | 80 | 210 | 31.8 | 117 | 88.9 | 83 | 127 | 7 | 168.3 | 1.6 |
| 3 1/2 | 90 | 230 | 35 | 133 | 101.6 | 86 | 139.7 | 7 | 184.2 | 1.6 |
| 4 | 100 | 275 | 38.1 | 152 | 114.3 | 102 | 157.2 | 7 | 215.9 | 1.6 |
| 5 | 125 | 330 | 44.5 | 189 | 141.3 | 114 | 185.7 | 7 | 266.7 | 1.6 |
| 6 | 150 | 355 | 47.7 | 222 | 168.3 | 117 | 215.9 | 7 | 292.1 | 1.6 |
| 8 | 200 | 420 | 55.6 | 273 | 219.1 | 133 | 269.9 | 7 | 349.2 | 1.6 |
| 10 | 250 | 510 | 63.5 | 343 | 273 | 152 | 323.8 | 7 | 431.8 | 1.6 |
| 12 | 300 | 560 | 66.7 | 400 | 323.8 | 156 | 381 | 7 | 489 | 1.6 |
| 14 | 350 | 605 | 69.9 | 432 | 355.6 | 165 | 412.8 | 7 | 527 | 1.6 |
| 16 | 400 | 685 | 76.2 | 495 | 406.4 | 178 | 469.9 | 7 | 603.2 | 1.6 |
| 18 | 450 | 745 | 82.6 | 546 | 457 | 184 | 533.4 | 7 | 654 | 1.6 |
| 20 | 500 | 815 | 88.9 | 610 | 508 | 190 | 584.2 | 7 | 723.9 | 1.6 |
| 24 | 600 | 940 | 101.6 | 718 | 610 | 203 | 692.2 | 7 | 1.6 |
| Size in Inch | Size in mm | No of Bolts | Bolt Size UNC | RF Stud Length | Hole Size | ISO Stud Size | Weight in kg |
| 1/2 | 15 | 4 | 1/2 | 75 | 5/8 | M14 | 1.5 |
| 3/4 | 20 | 4 | 5/8 | 90 | 3/4 | M16 | 1.8 |
| 1 | 25 | 4 | 5/8 | 90 | 3/4 | M16 | 1.8 |
| 1 1/4 | 32 | 4 | 5/8 | 95 | 3/4 | M16 | 2.7 |
| 1 1/2 | 40 | 4 | 3/4 | 110 | 7/8 | M20 | 3.7 |
| 2 | 50 | 8 | 5/8 | 110 | 3/4 | M16 | 5.5 |
| 2 1/2 | 65 | 8 | 3/4 | 120 | 7/8 | M20 | 8.2 |
| 3 | 80 | 8 | 3/4 | 125 | 7/8 | M20 | 10.5 |
| 3 1/2 | 90 | 8 | 7/8 | 140 | 1 | M24 | 11.8 |
| 4 | 100 | 8 | 7/8 | 145 | 1 | M24 | 19.1 |
| 5 | 125 | 8 | 1 | 165 | 1 1/8 | M27 | 31 |
| 6 | 150 | 12 | 1 | 170 | 1 1/8 | M27 | 36 |
| 8 | 200 | 12 | 1 1/8 | 190 | 1 1/4 | M30 | 55 |
| 10 | 250 | 16 | 1 1/4 | 215 | 1 3/8 | M33 | 86 |
| 12 | 300 | 20 | 1 1/4 | 220 | 1 3/8 | M33 | 102 |
| 14 | 350 | 20 | 1 3/8 | 235 | 1 1/2 | M36 | 127 |
| 16 | 400 | 20 | 1 1/2 | 255 | 1 5/8 | M39 | 177 |
| 18 | 450 | 20 | 1 5/8 | 275 | 1 3/4 | M42 | 216 |
| 20 | 500 | 24 | 1 5/8 | 285 | 1 3/4 | M42 | 268 |
| 24 | 600 | 24 | 1 7/8 | 330 | 2 | M48 | 377 |
| Size in Inch | Size in mm | Outer Diameter | Flange Thickness | Hub OD | Weld Neck OD | Welding Neck Length | RF Diameter | RF Height | PCD | Weld Face |
| A | B | C | D | E | F | G | H | I | ||
| 1/2 | 15 | 120 | 22.3 | 38 | 21.3 | 60 | 34.9 | 7 | 82.6 | 1.6 |
| 3/4 | 20 | 130 | 25.4 | 44 | 26.7 | 70 | 42.9 | 7 | 88.9 | 1.6 |
| 1 | 25 | 150 | 28.6 | 52 | 33.4 | 73 | 50.8 | 7 | 101.6 | 1.6 |
| 1 1/4 | 32 | 160 | 28.6 | 64 | 42.2 | 73 | 63.5 | 7 | 111.1 | 1.6 |
| 1 1/2 | 40 | 180 | 31.8 | 70 | 48.3 | 83 | 73 | 7 | 123.8 | 1.6 |
| 2 | 50 | 215 | 38.1 | 105 | 60.3 | 102 | 92.1 | 7 | 165.1 | 1.6 |
| 2 1/2 | 65 | 245 | 41.3 | 124 | 73 | 105 | 104.8 | 7 | 190.5 | 1.6 |
| 3 | 80 | 240 | 38.1 | 127 | 88.9 | 102 | 127 | 7 | 190.5 | 1.6 |
| 4 | 100 | 290 | 44.5 | 159 | 114.3 | 114 | 157.2 | 7 | 235 | 1.6 |
| 5 | 125 | 350 | 50.8 | 190 | 141.3 | 127 | 185.7 | 7 | 279.4 | 1.6 |
| 6 | 150 | 380 | 55.6 | 235 | 168.3 | 140 | 215.9 | 7 | 317.5 | 1.6 |
| 8 | 200 | 470 | 63.5 | 298 | 219.1 | 162 | 269.9 | 7 | 393.7 | 1.6 |
| 10 | 250 | 545 | 69.9 | 368 | 273 | 184 | 323.8 | 7 | 469.9 | 1.6 |
| 12 | 300 | 610 | 79.4 | 419 | 323.8 | 200 | 381 | 7 | 533.4 | 1.6 |
| 14 | 350 | 640 | 85.8 | 451 | 355.6 | 213 | 412.8 | 7 | 558.8 | 1.6 |
| 16 | 400 | 705 | 88.9 | 508 | 406.4 | 216 | 469.9 | 7 | 616 | 1.6 |
| 18 | 450 | 785 | 101.6 | 565 | 457 | 229 | 533.4 | 7 | 685.8 | 1.6 |
| 20 | 500 | 855 | 108 | 622 | 508 | 248 | 584.2 | 7 | 749.3 | 1.6 |
| 24 | 600 | 1040 | 139.7 | 749 | 610 | 292 | 692.2 | 7 | 901.7 | 1.6 |
| Size in Inch | Size in mm | No of Bolts | Bolt Size UNC | RF Stud Length | Hole Size | ISO Stud Size | Weight in kg |
| 1/2 | 15 | 4 | 3/4 | 110 | 7/8 | M20 | 2.3 |
| 3/4 | 20 | 4 | 3/4 | 115 | 7/8 | M20 | 2.7 |
| 1 | 25 | 4 | 7/8 | 125 | 1 | M24 | 4.1 |
| 1 1/4 | 32 | 4 | 7/8 | 125 | 1 | M24 | 4.6 |
| 1 1/2 | 40 | 4 | 1 | 140 | 1 1/8 | M27 | 5.9 |
| 2 | 50 | 8 | 7/8 | 145 | 1 | M24 | 11.5 |
| 2 1/2 | 65 | 8 | 1 | 160 | 1 1/8 | M27 | 16.5 |
| 3 | 80 | 8 | 7/8 | 145 | 1 | M24 | 14 |
| 4 | 100 | 8 | 1 1/8 | 170 | 1 1/4 | M30 | 23 |
| 5 | 125 | 8 | 1 1/4 | 190 | 1 3/8 | M33 | 39.5 |
| 6 | 150 | 12 | 1 1/8 | 190 | 1 1/4 | M30 | 50 |
| 8 | 200 | 12 | 1 3/8 | 220 | 1 1/2 | M36 | 80 |
| 10 | 250 | 16 | 1 3/8 | 235 | 1 1/2 | M36 | 118 |
| 12 | 300 | 20 | 1 3/8 | 255 | 1 1/2 | M36 | 148 |
| 14 | 350 | 20 | 1 1/2 | 275 | 1 5/8 | M39 | 182 |
| 16 | 400 | 20 | 1 5/8 | 285 | 1 3/4 | M42 | 225 |
| 18 | 450 | 20 | 1 7/8 | 325 | 2 | M48 | 300 |
| 20 | 500 | 20 | 2 | 350 | 2 1/8 | M52 | 373 |
| 24 | 600 | 20 | 2 1/2 | 440 | 2 5/8 | M64 | 680 |
| Size in Inch | Size in mm | Outer Diameter | Flange Thickness | Hub OD | Weld Neck OD | Welding Neck Length | RF Diameter | RF Height | PCD | Weld Face |
| A | B | C | D | E | F | G | H | I | ||
| 1/2 | 15 | 120 | 22.3 | 38 | 21.3 | 60 | 34.9 | 7 | 82.6 | 1.6 |
| 3/4 | 20 | 130 | 25.4 | 44 | 26.7 | 70 | 42.9 | 7 | 88.9 | 1.6 |
| 1 | 25 | 150 | 28.6 | 52 | 33.4 | 73 | 50.8 | 7 | 101.6 | 1.6 |
| 1 1/4 | 32 | 160 | 28.6 | 64 | 42.2 | 73 | 63.5 | 7 | 111.1 | 1.6 |
| 1 1/2 | 40 | 180 | 31.8 | 70 | 48.3 | 83 | 73 | 7 | 123.8 | 1.6 |
| 2 | 50 | 215 | 38.1 | 105 | 60.3 | 102 | 92.1 | 7 | 165.1 | 1.6 |
| 2 1/2 | 65 | 245 | 41.3 | 124 | 73 | 105 | 104.8 | 7 | 190.5 | 1.6 |
| 3 | 80 | 265 | 47.7 | 133 | 88.9 | 117 | 127 | 7 | 203.2 | 1.6 |
| 4 | 100 | 310 | 54 | 162 | 114.3 | 124 | 157.2 | 7 | 241.3 | 1.6 |
| 5 | 125 | 375 | 73.1 | 197 | 141.3 | 156 | 185.7 | 7 | 292.1 | 1.6 |
| 6 | 150 | 395 | 82.6 | 229 | 168.3 | 171 | 215.9 | 7 | 317.5 | 1.6 |
| 8 | 200 | 485 | 92.1 | 292 | 219.1 | 213 | 269.9 | 7 | 393.7 | 1.6 |
| 10 | 250 | 585 | 108 | 368 | 273 | 254 | 323.8 | 7 | 482.6 | 1.6 |
| 12 | 300 | 675 | 123.9 | 451 | 323.8 | 283 | 381 | 7 | 571.5 | 1.6 |
| 14 | 350 | 750 | 133.4 | 495 | 355.6 | 298 | 412.8 | 7 | 635 | 1.6 |
| 16 | 400 | 825 | 146.1 | 552 | 406.4 | 311 | 469.9 | 7 | 704.8 | 1.6 |
| 18 | 450 | 915 | 162 | 597 | 457 | 327 | 533.4 | 7 | 774.7 | 1.6 |
| 20 | 500 | 985 | 177.8 | 641 | 508 | 356 | 584.2 | 7 | 831.8 | 1.6 |
| 24 | 600 | 1170 | 203.2 | 762 | 610 | 406 | 692.2 | 7 | 990.6 | 1.6 |
| Size in Inch | Size in mm | No of Bolts | Bolt Size UNC | RF Stud Length | Hole Size | ISO Stud Size | Weight in kg |
| 1/2 | 15 | 4 | 3/4 | 110 | 7/8 | M20 | 2.3 |
| 3/4 | 20 | 4 | 3/4 | 115 | 7/8 | M20 | 2.7 |
| 1 | 25 | 4 | 7/8 | 125 | 1 | M24 | 4.1 |
| 1 1/4 | 32 | 4 | 7/8 | 125 | 1 | M24 | 4.6 |
| 1 1/2 | 40 | 4 | 1 | 140 | 1 1/8 | M27 | 5.9 |
| 2 | 50 | 8 | 7/8 | 145 | 1 | M24 | 11.4 |
| 2 1/2 | 65 | 8 | 1 | 160 | 1 1/8 | M27 | 16.4 |
| 3 | 80 | 8 | 1 1/8 | 180 | 1 1/4 | M30 | 21.8 |
| 4 | 100 | 8 | 1 1/4 | 195 | 1 3/8 | M33 | 33 |
| 5 | 125 | 8 | 1 1/2 | 250 | 1 5/8 | M39 | 59 |
| 6 | 150 | 12 | 1 3/8 | 260 | 1 1/2 | M36 | 75 |
| 8 | 200 | 12 | 1 5/8 | 290 | 1 3/4 | M42 | 125 |
| 10 | 250 | 12 | 1 7/8 | 335 | 2 | M48 | 207 |
| 12 | 300 | 16 | 2 | 375 | 2 1/8 | M52 | 314 |
| 14 | 350 | 16 | 2 1/4 | 405 | 2 3/8 | M56 | 427 |
| 16 | 400 | 16 | 2 1/2 | 445 | 2 5/8 | M64 | 568 |
| 18 | 450 | 16 | 2 3/4 | 495 | 2 7/8 | M72 | 738 |
| 20 | 500 | 16 | 3 | 540 | 3 1/8 | M76 | 932 |
| 24 | 600 | 16 | 3 1/2 | 615 | 3 5/8 | M90 | 1511 |
| Size in Inch | Size in mm | Outer Diameter | Flange Thickness | Hub OD | Weld Neck OD | Welding Neck Length | RF Diameter | RF Height | PCD | Weld Face |
| A | B | C | D | E | F | G | H | I | ||
| 1/2 | 15 | 135 | 30.2 | 43 | 21.3 | 73 | 34.9 | 7 | 88.9 | 1.6 |
| 3/4 | 20 | 140 | 31.8 | 51 | 26.7 | 79 | 42.9 | 7 | 95.2 | 1.6 |
| 1 | 25 | 160 | 35 | 57 | 33.4 | 89 | 50.8 | 7 | 108 | 1.6 |
| 1 1/4 | 32 | 185 | 38.1 | 73 | 42.2 | 95 | 63.5 | 7 | 130.2 | 1.6 |
| 1 1/2 | 40 | 205 | 44.5 | 79 | 48.3 | 111 | 73 | 7 | 146 | 1.6 |
| 2 | 50 | 235 | 50.9 | 95 | 60.3 | 127 | 92.1 | 7 | 171.4 | 1.6 |
| 2 1/2 | 65 | 265 | 57.2 | 114 | 73 | 143 | 104.8 | 7 | 196.8 | 1.6 |
| 3 | 80 | 305 | 66.7 | 133 | 88.9 | 168 | 127 | 7 | 228.6 | 1.6 |
| 4 | 100 | 355 | 76.2 | 165 | 114.3 | 190 | 157.2 | 7 | 273 | 1.6 |
| 5 | 125 | 420 | 92.1 | 203 | 141.3 | 229 | 185.7 | 7 | 323.8 | 1.6 |
| 6 | 150 | 485 | 108 | 235 | 168.3 | 273 | 215.9 | 7 | 368.3 | 1.6 |
| 8 | 200 | 550 | 127 | 305 | 219.1 | 318 | 269.9 | 7 | 438.2 | 1.6 |
| 10 | 250 | 675 | 165.1 | 375 | 273 | 419 | 323.8 | 7 | 539.8 | 1.6 |
| 12 | 300 | 760 | 184.2 | 441 | 323.8 | 464 | 381 | 7 | 619.1 | 1.6 |
| Size in Inch | Size in mm | No of Bolts | Bolt Size UNC | RF Stud Length | Hole Size | ISO Stud Size | Weight in kg |
| 1/2 | 15 | 4 | 3/4 | 120 | 7/8 | M20 | 3.3 |
| 3/4 | 20 | 4 | 3/4 | 125 | 7/8 | M20 | 3.7 |
| 1 | 25 | 4 | 7/8 | 140 | 1 | M24 | 5.5 |
| 1 1/4 | 32 | 4 | 1 | 150 | 1 1/8 | M27 | 7.8 |
| 1 1/2 | 40 | 4 | 1 1/8 | 170 | 1 1/4 | M30 | 11.5 |
| 2 | 50 | 8 | 1 | 180 | 1 1/8 | M27 | 19 |
| 2 1/2 | 65 | 8 | 1 1/8 | 195 | 1 1/4 | M30 | 24 |
| 3 | 80 | 8 | 1 1/4 | 220 | 1 3/8 | M33 | 42.8 |
| 4 | 100 | 8 | 1 1/2 | 255 | 1 5/8 | M39 | 66 |
| 5 | 125 | 8 | 1 3/4 | 300 | 1 7/8 | M45 | 111 |
| 6 | 150 | 8 | 2 | 345 | 2 1/8 | M52 | 173 |
| 8 | 200 | 12 | 2 | 380 | 2 1/8 | M52 | 264 |
| 10 | 250 | 12 | 2 1/2 | 490 | 2 5/8 | M64 | 490 |
| 12 | 300 | 12 | 2 3/4 | 540 | 2 7/8 | M72 | 695 |
Types of Weld Neck Flanges
- Industry Standard Class 75 Weld Neck Flanges
- Industry Standard Class 150 Weld Neck Flanges
- Industry Standard Class 175 Weld Neck Flanges
- Industry Standard Class 250 Weld Neck Flanges
- Industry Standard Class 300 Weld Neck Flanges
- Industry Standard Class 350 Weld Neck Flanges
- Plate Weld Neck Flanges
- Ring Type Joint Weld Neck Flanges
- Drawing Weld Neck Flanges
- Square Weld Neck Flanges
- Nipo Weld Neck Flanges
- Reducing Weld Neck Flanges
- Forged Weld Neck Flanges
- Stainless Steel Weld Neck Flanges
- Industry Standard Class 125 Light-weight Weld Neck Flanges
- Industry Standard Class 125/150 Weld Neck Flanges
Other Standards of ANSI / ASME / DIN Weld Neck Flanges
- ANSI B16.5 Weld Neck Flanges
- ANSI B16.5 Class 150 Weld Neck Flanges
- ANSI B16.5 Class 300 Weld Neck Flanges
- ANSI B16.5 Class 400 Weld Neck Flanges
- ANSI B16.5 Class 600 Weld Neck Flanges
- ANSI B16.5 Class 900 Weld Neck Flanges
- ANSI B16.5 Class 1500 Weld Neck Flanges
- ANSI B16.5 Class 2500 Weld Neck Flanges
- ASME B16.47 Series A Weld Neck Flanges
- ASME B16.47 Series B Weld Neck Flanges
- ANSI B16.36 Orifice Weld Neck Flanges
- DIN Weld Neck Flanges PN6-PN40
For Weld Neck Flanges price list as on :
Request the latest Weld Neck Flanges Price List. Use the contact button below for Weld Neck Flanges Ready stock information and updated price list.
Weld Neck Flanges Applications
| Off-Shore Oil Drilling Companies | Power Generation | Petrochemicals | Gas Processing |
| Specialty Chemicals | Pharmaceuticals | Pharmaceutical Equipment | Chemical Equipment |
| Sea Water Equipment | Heat Exchangers | Condensers | Pulp & Paper Industry |
Weld Neck Flanges Manufacturer & Supplier
- Weld Neck Flanges manufacturer in india
- Weld Neck Flanges supplier in india
- Weld Neck Flanges manufacturer in Mumbai
- Weld Neck Flanges manufacturer in Pune
- Weld Neck Flanges supplier in Chennai
- Weld Neck Flanges manufacturer in Hyderabad
